KCZ6-2T控制板吸取了我公司开发的KCZ6.2控制板的成功经验,并结合用户反馈的要求,以控制性能优越、保护功能完善、适应性广泛、组成系统可靠为原则而开发的通用型晶闸管触发控制板。它适用于三相全控(半控)桥、三相零式、双反星形及三相交流可控开关,根据不同的反馈信号,可组成直流调速系统、恒压、恒电流及恒温控制系统等。
一、特点
1.使用该控制板时,只要接入一只10kΩ的多圈给定电位器、相应反馈和保护信号以及380V单相供电交流电源,并把六路(或三路)脉冲输出接到相应的晶闸管即可。不需要外接电源变压器、同步变压器。
2.用户使用时只要接线正确,由光电耦合器隔离的同步系统能自动适应主回路不同相序相位的接入,不必检查主回路的相序。
3.性能优良的IP调节器参数独立可调,以适应不同系统的快速性和稳定性的要求。
4.能对被控系统实现不同时间常数的软起停。
5.能适应多种反馈及保护信号的接入。
6.当被调量及模拟保护量的量值达到设定保护值时,控制系统能实现硬特性截止保护,如因某种原因截止保护失灵,当被保护值达到截止设定值的110%~115%时,则实现记忆性保护,封锁输出脉冲,并送出一组接点信号,可使主回路跳闸。
7.控制板有一路能实现记忆性保护的接点输入,接点信号可为长信号,也可为短信号,如主回路快熔熔断信号等。
8.需外配脉冲变压器,可满足不同容量晶闸管及不同晶闸管变流装置触发的要求。使用同一种控制板,通过改变脉冲变压器类型,使其可适合单个晶闸管或多个晶闸管并联或串联系统的控制需要。
9.有复位电路,用户可通过外接复位按钮方便地实现故障条件下的复位。
二、使用条件
本控制板可以在下列条件下正常工作:
1.海拔不超过1500m;
2.使用环境温度为-10~45℃;
3.空气相对湿度≤90%(相对环境温度20℃时);
4.周围无导电、易爆尘埃,无腐蚀和破坏绝缘的气体;
5.无剧烈振动及冲击。
三、使用方法
1.安装及外形尺寸
(1) 板件应垂直安装牢固,板背面距后部可导电安装板距离≥10mm。板下方200mm内应无发热较多的器件。
(2) 连接导线面积应为≥0.5mm2的软导线,各反馈保护信号、给定电位器及脉冲输出线要用绞合线,每100mm不得少于8~10绞。
(3) KCZ6-2T控制板的外形尺寸为:长×宽×高=240mm×180mm×55mm,其安装孔距为长×宽=230mm×170mm,安装孔为4-ф4.5。
2.正确接线
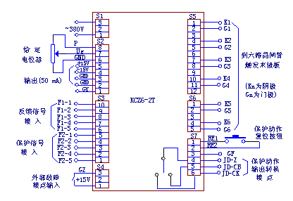
(1) 引出线在板上的位置如图1所示。

图1 KCZ6-2T控制板的对外引出线示图
(2) 接线方法
KCZ6-2T控制板对外共有7个接插件,各接插件的正确接线如下:
1) S1-1、S1-3外接~380V供电电源。
2) S2-6、S2-7、S2-8接外部给定电位器,电位器值为10kΩ,S2-7接电位器滑动点。
3) S2-5、S2-4、S2-3为控制板+15V、-15V及地输出,可为用户使用,但每路使用电流不得大于50mA。
4) S2-1可做特殊给定输入使用,一般不用。
5) S3-10、S3-9、S3-8、S3-7、S3-6为模拟反馈信号输入点,S3-10、S3-9为直流信号输入点,S3-8、S3-7、S3-6为三相交流信号输入点(单相输入信号接其任意两点)。
6) S3-5、S3-4、S3-3、S3-2、S3-1为模拟保护信号输入点,S3-5、S3-4为直流信号输入点,S3-3、S3-2、S3-1为三相交流信号输入点(单相信号接任意两点)。
7) S4-1、S4-3接外部综合保护常开接点。
8) S5-1、S5-2、S5-4、S5-5、S5-7、S5-8、S5-10、S5-11、S6-1、S6-2、S6-4、S6-5为控制板六路脉冲输出,分别接到六路晶闸管触发末级板的输入,这一点应特别注意,由于KCZ6-2T控制板板内不含脉冲功放及隔离环节,所以其输出的六路脉冲必须经过脉冲未级板放大或隔离后才能接到晶闸管的门阴极。
9) S7-1、S7-2可接外部复位按钮,当发生故障记忆时可用来复位。
10) S7-4为特殊应用输入,当该点输入一个+13∽15V电位时可封锁脉冲输出,一般不用。
11) S7-4、S7-5、S7-6为故障时动作做主回路跳闸的一个转换接点,接点容量为∽380V/0.5A或∽220V/1A。
12) S8-1、S8-3、S8-5为同步电压输入端,分别接于桥臂的交流输入端,即晶闸管(可控硅)原件SCR2、SCR6、SCR4的阴极上。
3.应用注意事项
(1) 对模拟反馈信号及保护信号的要求
1) 直流电压信号为0∽10V,三相及单相交流电压信号为0∽10V。
2) 单相及三相交流电流信号为0∽100mA,使用这类电流信号时,在板上应把接入量对应的联线“2”(“3”)接上。
3) 直流电流信号为0∽10mA,用这类信号时除把对应联线“2”(“3”)接上外,并把对应的电阻R61(R86)换成1.1kΩ/0.5W的电阻。
4) 如将IC3的引脚6对地的连线“1”连上,则输出单脉冲。
(2) 板内电位器及作用
KCZ6-2T控制板内有P1∽P10共10个电位器,各电位器的作用及调节方法如下:
1) 电位器P1∽P3调节同步信号幅值,出厂前已经调好,用户使用中不需调节。
2) 电位器P4用来调节给定积分时间的长短。
3) 电位器P5调节最大角限幅,出厂时该〤max已调为150o,若用户将KCZ6-2T控制板用于三相可控整流系统,且负载为阻性负载,则P5可不用调节。
4) 电位器P7调节最小角(即〤max)限幅,出厂时已调节为〤min=0,使用中用户不需要再调节。
5) 电位器P10调节IP调节器积分时间常数,而RP8调节IP调节器比例系数。
6) 电位器P6与P9调节反馈量的大小。
(3) 应特别说明的问题
1) KCZ6-2T控制板适合于主功率器件为晶闸管的三相全控、半控整流或调压系统中,当半控使用时,可仅使用S5与S6输出的G1、K1;G3、K3;G5、、K5三组输出,亦可使用S5与S6输出的G2、K2;G4
、K4;与G6、K6 。
2) KCZ6-2T控制板内仅有一个闭环调节器,其闭环反馈信号为交流输入时接F1-3∽F1-5,闭环反馈信号为直流时,接F1-1与F1-2,若反馈信号为电压信号,则可实现电压闭环,达到稳定输出电压之目的,若反馈信号为输出电流,则可实现电流闭环,获得稳定输出电流之功效。
3) KCZ6-2T的F2-1∽F2-5为保护取样信号输出端,直流输入时接F2-1∽F2-5通道接电流F1-1∽F1-5接电压取样信号,系统工作为恒流控制过压保护,反之闭环反馈信号取为电压,则F2-1~F2-5通道接电压,F1-1∽F1-5接电流取样信号,系统为恒压控制过流保护。
4.印制板元件布置图
图2给出了KCZ6-2T控制板的元件布置图。

图2 KCZ6-2T控制板元件布置图 |