KCZ6SM-2数字式开环带保护晶闸管触发控制板是应用我公司独有的KC-198专用集成电路芯片开发的全数字式晶闸管开环触发控制板,它具有数字化控制,输出脉冲对称性好,使用中可用同步变压器也可不用同步变压器,具有自对相功能等优良性能,可用来取代我公司原生产的模拟式KCZ6.3控制板,它是在KCZ6SM-1数字式开环晶闸管触发控制板上增加过压、过流保护及给定积分功能而开发的控制板。
一、主要技术参数与特点
1.直接380V供电,板内含有自身工作所需的+15V,+5V,+24V电源生成环节。
2.具有自身工作电源欠压、被控制系统过压、过流、缺相、外部故障(如冷却水系统故障)保护功能。
3.板内含有脉冲变压器及脉冲隔离和整形环节,并增加了给定积分功能,输出可直接触发六只5~1650A/100~3500V的晶闸管。
4.板内仅有两个可调电位器RP1、RP2,该两个电位器用来调节过压和过流保护的门槛,应用极为方便。
二、正常工作条件
KCZ6SM-2数字式晶闸管开环触发控制板在下列条件下可正常工作:
1.海拔不超过1500m;
2.使用环境温度为-10~45℃;
3.空气相对湿度为≤90%(相对环境温度为20℃时);
4.周围无导电、易爆尘埃,无腐蚀和破坏绝缘的气体;
5.无剧烈振动及冲击。
三、用户须知及接线方法
3.1 用户须知
1.KCZ6SM-2数字式开环带保护晶闸管触发控制板中的KC-198专用控制芯片是由美国生产的可编程逻辑器件,内写了我公司编制的智能化软件,由于该集成电路为CMOS器件,所以使用中要谨防静电造成击穿损坏,所以要切忌直接用手触摸KC-198集成电路的引脚,也不要用万用表去量测该集成电路的引脚。
2.KCZ6SM-2数字式开环带保护晶闸管触发控制板为开环控制板,其工作机理为负逻辑,即移相控制电压升高时,对应晶闸管的导通角减小,即晶闸管变流器的输出电压降低,而当移相控制电压降低时,对应晶闸管的导通角增大,即晶闸管变流器的输出电压升高,这一点应特别注意。
3.KCZ6SM-2数字式开环带保护晶闸管触发控制板安装时采用四孔平面安装,安装孔径为4-ф4.5。图1给出了其元件布置图。
4.KCZ6SM-2数字式晶闸管开环触发控制板安装时其背面距导电安装板的距离应大于20mm,其安装位置的上下、左右应留有拔接插件的空间,板下方200mm内应无发热较大的器件。
5.连接导线面积应≥0.5mm2的软导线,各反馈保护信号、给定电位器及脉冲输出线要用双绞线,每100mm不得少于8~10绞,从该控制板的输出G1、K1~G6、K6至被触发的六路晶闸管门阴极之间的引线应尽可能的短,并尽可能使用双绞线或同轴电缆屏蔽线。
6.KCZ6SM-2数字式开环带保护晶闸管触发控制板标准使用是不用同步变压器,直接用于工作系统线电压≤660V的系统中(标准产品线电压为380V),当用户系统工作电压高于660V或电压很低(低于10V)时,建议使用同步变压器,同步变压器二次侧线电压为380V,此时接G1、K1;G4、K4的那个臂的同步电压接KCZ6SM-2控制板N4插座中的TA,而对应G3、K3;G6、K6的那个臂的同步电压接KCZ6SM-2控制板N3插座中的TB,而接G2、K2;G5、K5的那个臂的同步电压接KCZ6SM-2控制板N2插座中的TC,在此情况下,把板上标有A、B、C三处的1与3点断开,而把1与2短接便可。

图1 KCZ6SM-2数字式开环带保护晶闸管触发控制板元件布置图
3.2 正确接线
KCZ6SM-2数字式开环带保护晶闸管触发控制板对外引出共有11个接插件,各接插件的对外接线方法如下:
1.接插件N1、N2、N3、N4、N5、N6对应的G1、K1;G2、K2;G3、K3;G4、K4;G5、K5;G6、K6接被触发的六路晶闸管的门阴极。
2.接插件CN5中的引脚1与引脚2接380V供电电源。
3.接插件CN3中的引脚1(-15V)、引脚2(GND)、引脚3(+15V)为提供给用户使用的两路正负电源,该电源允许负载能力20mA。
4.接插件CN1的引脚3(P)、引脚4(Ug)、引脚5(GND),该三端用在用户使用,不需要给定积分时,直接接给定电位器(给定电位器阻值大于4.7kΩ),其中引脚5与引脚3接电位器的固定端,而引脚4接电位器滑动端,在此种使用时CN1插座的引脚6悬空不用;当用户使用需要给定积分时,则应把CN1的引脚3与引脚4短接,在CN1的引脚6(RQ),引脚7(GND)及插座CN3的引脚1(+15V)之间接入给定电位器(阻值大于4.7kΩ,功率大于1/2W),电位器的固定端接CN1的引脚7及CN3的引脚1,而滑动端接CN1的6,接插件CN1的引脚1(Wp)与引脚2(GND)之间接一外部故障保护的接点(在故障时为断开),用来进行外部故障时的保护(如冷却系统故障),不用此保护功能时可通过把此两端短接来删除此功能,CN1的引脚8(RST)与引脚7(GND)之间接复位按钮,该按钮用来对保护进行复位(两点短接进行复位)。
5.接插件CN6中的引脚1(NC)、引脚2(Z)、引脚3(NO)为综合保护继电器的三个引出端,其中引脚2为公共端,引脚1与引脚2之间为常闭接点,而引脚1与引脚3之间为常开接点,触点容量为220V/1A或380V/0.5A,该三个引脚中任一对接点接保护或报警电路,作为分断用户主电路的动作接点。
6.当用户系统电压取样为交流取样时,则接插件CN4的引脚1~引脚3接用户系统电压取样环节的输出;电压取样可为交流亦可为直流取样幅值为0~10V/0.1A,此时引脚4(FV)与引脚5(GND)悬空,若用户系统电压取样为直流,则电压取样值接引脚4(FV)与引脚5(引脚4为正端),此时引脚1~引脚3悬空。
7.若用户系统电流取样应用交流取样时,则接插件CN2的引脚3~引脚5接用户系统电流取样环节的输出,此时引脚1与引脚2悬空。若用户系统电流取样值为直流时(如为霍尔电流传感器取样时),则接插件CN2的引脚1(FI)接取样的正端,而引脚2(GND)接取样的负端,此时引脚3~引脚5悬空。电流取样可为交流取样亦可为直流取样,该取样输入应为把电流信号转换为电压的信号,幅值为0~10V/0.1A。
8.若接插件CN2的输入为交流取样值,则应把拨码开关的第2位拨到ON位置,而把对应直流取样输入的拨码开关
1位拨码到OFF位置,反之亦然。
9.若接插件CN4的输入为交流取样值,则应把拨码开关的第4位拨到ON位置,而把对应直流取样输入的拨码开关
3位拨码到OFF位置,反之亦然。
3.3 电位器的作用及调整方法
KCZ6SM-2数字式晶闸管闭环控制板内共有2个电位器,各电位器的作用及调节方法如下:
1.RP1为实际电流取样值调节电位器,顺时调节电流取样值增加(相当于保护门槛降低),逆时针调节该取样值减小(相当于保护门槛提高)。
2.RP2为实际电压取样值调节电位器,顺时针调节等效电压取样值增加(相当于保护门槛降低),逆时针调节该取样值减小(相当于保护门槛提高)。
3.4 参数限制
KCZ6SM-2数字式晶闸管闭环控制板的输入、输出负载能力为:
1.输入参数:
(1) 供电电源380V,负载电流最大0.1A。
(2) CN2插座输入的取样值最大范围0~10V/0.1A。
(3) CN4插座输入的取样值最大范围0~10V/0.1A。
(4) TA、TC、TB同步输入电压范围30V~380V/0.1A(可通过调整限流电阻R1A、R1B、R1C来实现)。
2.输出参数
(1) CN3对应+15V、-15V电源最大负载能力20mA。
(2) G1、K1~G6、K6最大负载电流400mA,最高空载电压幅值+12V。
(3) 可触发晶闸管容量位于5~1650A/100~2500V范围内的六个晶闸管。
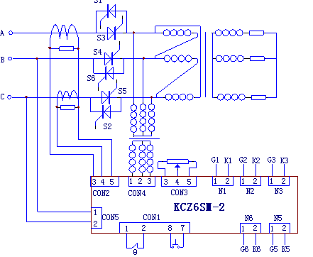
3.5 应用举例
图2给出了KCZ6SM-2控制板用于三相交流调压系统的原理图,在该系统中电压和电流取样都采用了交流取样,所以该系统不但有缺相保护,而且有过压和过流保护,由于系统采用强迫风冷,因而在接插件CN1的引脚1与引脚2之间接入了进行超温保护的接点(温度继电器装于散热器上)。

图2 KCZ6SM-2控制板用于三相交流调压系统的原理图 |