| 一、概述
KCZ6.0晶闸管三相全控(半控)桥移相控制板是我公司根据用户对原TCZ6.0板应用中存在的不足而重新设计的,它是在TCZ6.0的基础上进一步完善而开发的,与TCZ6.0板相比,它具有下述优点:
1.其对外联结接插件一改原双面接触的老式二十二线接插件为新型接插件,因而接触更加可靠,联线不易接错。
2.输入信号与输出信号分为两个接插件,使用户应用起来更加方便。
3.印制板上增加了助焊、阻焊、字符及防腐工艺,使用更加可靠,更便于维修。
4.印制板四周增加了屏蔽层,抗干扰性能更好,且四周增加了安装固定孔,故使用中不需要插件箱,满足了不同用户的需要。
二、使用条件
1.海拔:≤1500m;
2.环境温度:-10℃~+45℃;
3.空气最大相对湿度:≤90%;(环境湿度20℃);
4.周围无导电及易燃易爆炸尘埃,无腐蚀金属及破坏绝缘的气体;
5.无剧烈振动和冲击。
三、基本工作原理
KCZ6.0板的基本工作原理与TCZ6.0板相同,它以敝公司开发生产的TC787为核心单元,TC787是一高性能的18引脚的标准双列直插式集成电路,内部集恒流源,移相逻辑,零点识别,脉冲分配,脉冲调制,抗干扰电路等功能于一体,一片可取代5片KJ(或KC)系列集成电路的组合或3片TCA785与KJ041及KJ042的组合电路。因而抗干扰性能更好,性能更优越,它的应用极大的减少了印制板的尺寸。
四、主要技术参数
KCZ6.0板的主要技术参数如下:
1.输入同步信号,三相,其相电压为交流~30V均可正常工作,对同步电源的电流需求小于50mA。
2.输入电源电压双交流18V,故板上可产生用户三相控制系统所需的±15V(其负载能力0.05A)及触发末级板所需的+24V电源(负载能力为脉冲电流1A)。
3.输出六路(用于三相全控桥触发)或三路(用于三相半控桥触发)的触发脉冲,自身含脉冲功放部分,用户仅需配敝公司生产的六单元或三单元晶闸管触发脉冲末级板及外接一给定电位器便可构成三相交流调压或直流电动机调速或其他系统。
4.自身含有脉冲封锁端,该封锁端S高电平有效,使用户可方便的用来在故障情况下封锁触发脉冲,保证系统安全。
5.安装尺寸如附图1所示,四个孔均为Φ4,其孔距如附图1所示。
6.最大外形尺寸为:长×宽×高=155mm×68mm×28mm。
(点击上图放大)
附图1 KCZ6.0板的实物外形及安装尺寸图
五、用户须知及使用方法
1.KCZ6.0板的实际印制板中主要元器件排列位置如附图1所示,其中电位器W1、W2、W3用来调节三相同步电压的平衡,顺时针旋转送入集成电路TC787管脚的等效同步电压降低,逆时针调节送入TC787管脚的等效同步电压升高。W4为最大角α限幅调节电位器,顺时针旋转最大α限幅角减小,逆时针旋转最大α限幅值增大。W5为调试板时用的给定电位器,对用户来说它无用。
2.KCZ6.0板左侧的~18V、GND、~18V分别接用户电源变压器的二次电压,其电流容量为0.5mA,而a、GND;b、GND;c、GND分别接同步变压器的二次相电压,其电流容量为50mA,+15V及-15V提供给用户系统使用,其负载能力为50mA,用户仅需在+15V与GND之间接一四分之一瓦2K的电阻与一二分之一瓦4.7K的电位器相串联的网络,并把电位器的中间点接该接插件的Vk端便可通过电位器来调节给定电压来调节三相晶闸管桥(或三相调压网络)的输出电压,剩下的接线端S用来实现故障情况下的封脉冲,它为一输入信号,高电平有效,其所需电流容量为几十微安。
3.KCZ6.0板右侧的+24V,g1;+24V,g2;+24V,g3;+24V,g4;+24V,g5;+24V,g6分别用来接用户触发脉冲末级板的输入端。
4.KCZ6.0板的输出输入负载能力为:+15V、-15V最大负载能力为50mA,其+24V最大负载脉冲电流为300mA,其移相控制电压UK及封脉冲信号S高电平要求提供输入最大电流为1mA,而g1~g6端最大负载脉冲电流为150mA。
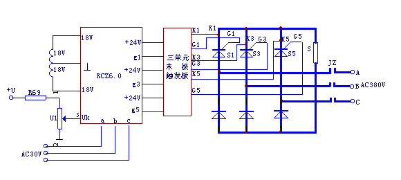
6.KCZ6.0板的应用举例:用于三相半控桥系统如图2所示,用于三相全控桥系统如图3所示。

图2

图3
7.在主电路不带变压器时,当KCZ6.0板用于三相可控整流系统时,建议同步变压器接为Δ/Y-11,而当KCZ6.0板用于三相交流调压或三相过零触发系统时,建议同步变压器接为Y/Y-12,在主电路带有电源变压器时,同步变压器的接法应与主电路变压器接法相匹配。

|