KCZB型高性能通用三相控制板

一、简介

  KCZB型高性能通用晶闸管三相控制板是专为晶闸管直流调速,三相交流调压,大功率三相全控或半控整流电源、直流电动机、交流同步发电机励磁等应用场合开发的高性能多功能控制板,它的主要设计特点如下:
    1.应用我公司生产的TC787专用集成电路来完成三相全控或半控桥晶闸管的移相触发功能,由于TC787一片便可取代三片KJ009(或KJ004或TCA785)及一片KJ041和一片KJ042组合才具有的功能,因而极大的减小了三相六路移相触发脉冲形成环节的尺寸,提高了集成度,减少了外围元件,增强了可靠性,简化了调试步骤;
    2.整个印制板全部应用高性能进口集成电路,且仅用五片集成电路,集成度高,可靠性强;
    3.印制板用进口板材,采用热风整平等印制板加工新工艺,防腐性能好,孔化走线等可靠;
    4.把脉冲功放及整形和抗干扰部分全部排于一块板上,避免了外配脉冲末级板的主板与末级板之间配线、安装等不便,使用户使用起来更加方便;
    5.印制板设计的具有过压、过流,欠流等保护,保护门坎可调,具有随着用户选通信号的不同可构成稳压、稳流、稳定发电机输出电压、稳速等闭环,可实现相应的闭环稳定功能,极大的满足了不同用户的不同需要;
    6.应用敝公司生产的高性能晶闸管三相缺相、错相保护厚膜集成电路,可实现缺相、错相下的保护功能,保证用户系统安全;
    7.板内设计有给定积分环节,闭环调节器和保护后的接点信号,既可保证把用户的阶跃给定变为斜坡给定和实现闭环调节功能,又可保证保护后在封脉冲的同时给出一常开(过压、过流、电流截止、欠流保护)及一常闭(缺相或错相保护)接点信号(触点容量1A/220V或0.5A/380V),使用户可用其来分断自己的主回路,保证系统故障情况下的安全。
    8.允许本机给定,计算机给定及中央操作台(远动控制)三种给定方式,三种给定方式可选择。

    二、应用注意事项及用法

  KCZB型通用控制板的印制板外形尺寸及主要元器件布置示意图如图1所示,其用法如下:

                        图1
    1.插座S3引脚的功能:
    Ug为用户本机给定输入端,305#与306#引脚分别为本机之外的控制位或集中操作台控制信号输入端,而300#与310#引脚为选通4052通道的选通信号输入端,而JZ与300#之间为用户系统一辅助常开触点输入端,该常开触点保证了控制板上的给定积分器只有在系统的主接触器闭合后才从零开始给定积分,避免给定积分到最大值再合主回路启动造成的冲击,而后307#及308#为保护后复位的常开按钮连接端。
    2.插座S5的对外连线:
    +15V、-15V分别为两输出信号连接端,该两端用来向用户系统提供正负电源,其最大输出的负载能力为100mA,而300#引脚为控制板电源的参考地端,303#及304#引脚分别为电流反馈信号与电压反馈信号连接端,该两端允许施加0~10V的直流电压。
    3.插座S6的对外接线:
    a、b、c端接一星形连接的三相同步变压器之二次侧,其中性点接300#端,允许施加相电压为18~30V,U1、V1、W1分别为三相同步发电机输出电压的反馈信号连接端,允许施加相电压为交流0~9V;a2、b2、c2为提供控制板工作的正电源的三相交流电压连接端,而a1、b1、c1为提供控制板工作的负电源的三相交流电压信号连接端;a1、b1、c1、a2、b2、c2端允许施加的交流相电压为0~9V。
    4.插座S2的对外接线:
    201#端接交流220V或380V,其与227#之间为一常闭触点,而与225#、224#、223#端子之间分别为一常开触点,触头容量分别为380V/0.5A,220V/1A,这些触点可用来控制系统的主电路。
    5.插座S1的对外连接:
    插座S1上的G1、K1;G2、K2;G3、K3;G4、K4;G5、K5;G6、K6分别用来连接到三相交流调压系统中的六个晶闸管的门阴极,若系统为三相半控桥或三相半波,当其中三个晶闸管为共阴极接法时,仅用G1、K1;G3、K3;G5、K5;而当三只晶闸管为共阳极接法时,仅用G2、K2;G4、K4及G6、K6三组输出。
    6.各电位器的作用及调节方法
    (1)P1为过压保护动作门槛调节电位器,逆时针调节保护动作门槛增加,顺时针调节保护动作门槛降低。
    (2)P10为过流保护动作门槛调节电位器,逆时针调节保护动作门槛降低,顺时针调节保护动作门槛增加。
    (3)P13为防欠励误动作保护动作门槛调节电位器,逆时针调节保护动作门槛降低,顺时针调节保护动作门槛增加。
    (4)P11为欠励保护动作门槛调节电位器,逆时针调节保护动作门槛增加,顺时针调节保护动作门槛增加。
    (5)P3为闭环调节器放大倍数及比例积分时间常数调节电位器。
    (6)P19为电流截止保护动作门槛调节电位器,顺时针调节保护功能删除门槛降低,逆时针调节保护功能删除门槛增加。
    (7)P12为欠励保护功能删除门槛调节电位器,顺时针调节保护功能删除门槛降低,逆时针调节保护功能删除门槛增加。。
    (8)P8为给定积分上升时间调节电位器,逆时针调节给定积分上升时间增加,顺时针调节给定积分上升时间缩短。
    (9)P5为给定积分下降时间调节电位器,逆时针调节给定积分下降时间增加,顺时针调节给定积分下降时间缩短。
    (10)P9为晶闸管最大移相角ㄨmax限幅调节电位器,顺时针调节最大ㄨmax增加,逆时针调节最大ㄨmax下降。
    (11)P7为是给定为零时差分器输出电压调节电位器,顺时针调节差分器输出电压增加,逆时针调节差分器输出电压降低。
    (12)P16~P18为三相同步电压调节平衡电位器,逆时针调节加到TC787管脚上的同步电压增加,顺时针调节加到TC787管脚的等效同步电压降低。
    7.KCZB板的所有联接插件均垂直该板上下拔插,各插座之间连线不要接错。
    8.KCZB板的最大外形尺寸为长×宽×高=225mm×190mm×30mm,其在用户系统中平面放置安装,故不需要插件箱。
    9.该板输出的六路脉冲可触发电流容量在5~1650A内的任一规格的晶闸管。

    三、应用举例

  KCZB板优良的性能使其可方便的用于三相交流调速,三相交流调压调功装置、直流调速、晶闸管励磁电源、电解、电镀电源等组合。
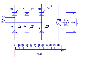
1.KCZB板用于三相交流调压系统。
   KCZB板用于交流调压系统的原理图如图2所示.该系统为一带有过流保护及恒流调节功能的系统.
图2   KCZB板用于三相交流调压系统
2.KCZB板用于直流调速系统如图3所示,该系统为一转速闭环直流调节系统。

                           图3

 


陕西高科电力电子有限责任公司 版权所有

销售公司地址:西安市含光南路178号 邮 编:710065
电 话:029-85236567 85213405  传 真:029-85213405
电力电子与自动化成套厂 电话/传真:029-88218850 88049668
地址:西安高新开发区电子工业园(电子三路8号)903厂房 邮 编:710065