一、概述
KCZ1型小功率直流电机调速板适用于小功率直流电机的调速,内含电压负反馈(或转速负反馈)及电流负反馈环节,使用户可方便的选择电机转速(或电枢电压)与电枢电流负反馈构成双闭环PI调节器,控制晶闸管触发器的移相电压,并进一步将移相电压转换为相应导通角的触发脉冲驱动大功率晶闸管元件,以实现调节及稳定被控直流电机转速的目的。该板是在原KJZ1直流电机调速板的基础上根据广大用户对KJZ1板的意见改进而成的,与KJZ1板相比它具有下述优点:
1.板内带有整流稳压器件可产生±15V及+24V电源,除供板子本身使用外,±15V电源还可以供用户使用。
2.以TCA785取代原应用的KJ004,而以555时基器取代原KJ042,故外围元件进一步减少,可靠性进一步提高,输出脉冲是脉冲列。
3.板内含有过流保护环节,保护后既封锁用户的输出脉冲,又分断用户系统的主电路,同时还可根据外部故障信号(低电平)来实现保护功能。
4.板内含有输出脉冲功放和整形环节,最大地方便了用户。
5.板内含有四路脉冲功放单元,所以使该板可用于单相桥式全控或单相桥式半控系统或双半波可控整流系统,满足了不同用户的需要。
二、主要技术参数
1.输入交流电压:双交流:18V/0.5A,50Hz;
2.输入移相控制电压Un:0~-12V/0.1A;
3.输出直流电压:±15V/0.1A;
4.输入反馈电压(或转速)值Vr:0~+12V/0.1A;
5.输入反馈电流幅值Ir:交流(或直流)0~10V/0.1A(或0~+12V/0.1A);
6.移相范围:0~170°;
7.稳速精度:1%;
8.输入封脉冲信号L幅值<2V/0.1A;
9.输出四路触发脉冲高电平幅值:10V/400mA;
10.外形尺寸:长×宽×高=164mm×147mm×30mm;
11.调速比:20:1;
12.安装孔距四孔为Φ4.5,安装尺寸为长×宽=153mm×134mm。
三、KCZ1板的使用方法
KCZ1板内主要元器件的元件布置示意图如图1所示,从图显见它的内部有七个有用的电位器,其对外引线共有三个接插件。
各电位器的作用及调节方法:
1、W1为用户使用板内的给定电位器作为给定时的输出调节电位器,一般用户采用外部电位器给定,所以该电位器经常不使用。
2.W2为反馈电压(或转速反馈)幅度调节电位器,顺时针调节反馈幅值减小,逆时针调节反馈幅值增加。
3.W3为电流反馈幅度调节电位器,顺时针调节反馈值减小,逆时针调节反馈值增大。
4.W4为差分器输出电压调节电位器,当给定电压Un为零时,W4决定差分器输出的最高电压,在Un最大时,调节W4可使差分器输出电压为零,也就是说在Un为最大时,If、Vf均为零时,调节W4使输出脉冲正好位于α=0°的时刻即为W4最合适的取值。此时,TCA785的11管脚电压为-0.7V~0V。
5.W5为用于过流保护的电流取样信号最大值调节电位器,顺时针调节用于过流保护的电流取样值减小,逆时针调节用于过流保护的电流取样信号最大值增加,一般当电流反馈最大时,调节W5使其中点电压为6V比较合适。

图1 KCZ1板的元件布置示图
6.W6过流保护门坎调节电位器,顺时针调节过流保护门坎增加,逆时针调节过流保护门坎减小。
7.W7为移相电压最大值限幅调节电位器,当Un=0、If=0、Vf=0时,调节W7使输出脉冲刚好位于控制角α=180°的位置,便为W7的最合适取值。W7逆时针调节αmax减小,顺时针调节αmax增加。
8.W8为锯齿波幅值调节电位器,顺时针调节锯齿波幅值增加,逆时针调节锯齿波幅值减小。
KCZ1板对外联线共有三个接插件,各接插件的对外接线方法如下:
1.接插件S1中的18V、D、18V分别按一具有中间抽头的双18V交流变压器之付边绕组,D接中间抽头,为该控制板工作的参考地。而Un、-15V、D分别接一给定电位器的三个引出头,建议-15V通过一阻值为1K的电阻接一阻值为5.6K(功率0.5W或1W)的外部给定电位器的固定端,D接其另一固定端,而Un接该电位器的中点,剩余的If与D及Vf与D之间分别接电流、转速(或电压)反馈信号,应注意的是反馈信号均应为正极性,+15V为一输出直流电源,可供用户使用,L为外部故障后的封脉冲信号,低电平(<2V)有效。
2.接插件S2中的G1、K1~G4、K4分别接主回路中四个晶闸管的门阴极(当主回路为单相桥式全控时),在主回路为共阴极(或共阳极)单相桥式半控整流电路时,可只选用G1、K1与G3、K3(或G2、K2与G4、K4)去触发主电路中的两个晶闸管,在主回路为单相双半波可控整流时,可只选用G1、K1与G2、K2或G3、K3与G4、K4,去触发回路中的两个晶闸管,在主回路为单相半波可控整流时,可只选用G1、K1~G4、K4中任一路去触发晶闸管。
3.接插件S3中的A、B之间为一常闭接点,其用来进行故障状况下分断用户系统的主电路,触点容量为220V/1A或380V/0.5A。
四、应用举例
KCZ1板的上述结构决定了它可以方便的用于主电路为单相桥式全控,单相桥式半控或单相半波可控整流,单相双半波可控整流的直流电机调速系统中作为晶闸管的触发及控制板,为便于用户使用现举两例说明其应用。
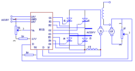
1.用于主回路为单相桥式全控整流电路的转速,电流双闭环直流调速系统,KCZ1板在这种系统中的应用如图2所示,图中CT为电流互感器,G为测速发电机。

图2 KCZ1板用于主电路为单相桥式全控整流的转速电流双闭环直流调速系统示图
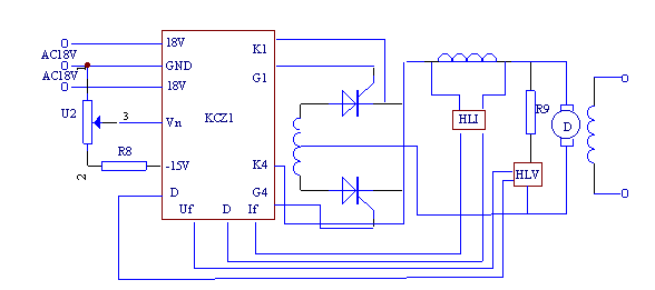
2.用于主回路为单相双半波可控整流的电压、电流双闭环直流调速系统,KCZ1板在这种系统中的应用如图3所示,图中HLV为霍尔电压互感器,HLI为霍尔电流传感器。

|