KGS型高性能直流调速装置控制板

一、概述
  KGS型高性能直流调速板以其紧凑的结构,完善的功能赢得了众多用户的青睐。该板采用大规模集成电路TC787来完成主回路中晶闸管的触发脉冲形成,板内不但含有三相全控桥的6路触发脉冲形成单元,而且设计有控制直流电机励磁的单相半桥触发脉冲形成单元,板内还设计有过压、过流、欠励、缺相、超速保护单元及脉冲功放与隔离整形电路,其输出可直接触发容量为1650A以下的晶闸管元件。整个控制系统采用单一大板结构,具有体积小、设计合理、调整方便、运行可靠、易维修等优点。

二、主要技术指标
  1.输入控制电压:两组独立的三相16V(线电压)、14V(线电压);
 2.输入电流反馈信号范围:0~10V,正极性;
 3.输入转速(或电压)反馈信号范围:0~12V,正极性;
 4.输入给定控制电压范围:0~10V,正极性;
 5.输入三相同步电压幅值:三相交流相电压30V,50Hz;
 6.随转速与电压反馈信号的不同可构成转速、电流双闭环或电压、电流双闭环调速系统;
 7.具有过流、电流截止、过压(或超速)、缺相、错相保护及报警功能,保护门槛可调,保护后可封脉冲并给出分断主回路的接点信号(接点容量220V/1A或380V/0.5A);
 8.可输出8路直接触发1650A以下晶闸管元件的触发脉冲信号(其中6路用来触发主整流桥中的6个晶闸管,另两路用来触发单相半控桥励磁回路中的晶闸管);
 9.可用于主回路为三相全控或三相半控的固定励磁或可调励磁的直流电机调速系统中,亦可用于主回路为三相交流调压的交流调速系统中;
 10.可板内控制亦可板外控制;
 11.板内含有给定积分环节,积分时间可调;
 12.外形尺寸为长×宽×高=327mm×202mm×30mm;
 13.安装尺寸为长×宽=311mm×187mm,安装孔径4-φ4.5。

三、应注意事项
  
1.各电位器的作用及调节方法
  KGS直流调速控制板板内共有18个电位器,各电位器的作用及调节方法如下:

  (1) 电位器RP16、RP17、RP18为加到TC787引脚18、2、1三个输入端的三相同步电压幅值调节电位器,顺时针调节加到TC787三个同步电压输入端的同步电压幅值减小,即TC787输出触发脉冲的相位相对于主电路对应晶闸管阳阴极间的电压滞后角度增大;逆时针调节加到TC787三个同步电压输入端的同步电压幅值增加,即TC787输出触发脉冲的相位相对于主电路对应晶闸管阳阴极间的电压滞后角度减小。
  (2) RP6和RP5为分别对应给定积分上升时间和下降时间调节的电位器。RP6顺时针调节给定积分的上升时间增加;逆时针调节给定积分的上升时间减小。RP5顺时针调节给定积分的下降时间增加;逆时针调节给定积分的下降时间减小。
  (3) RP7为给定电压Ug=0时差分器输出最高电压的调节电位器。顺时针调节差分器输出电压增加,逆时针调节差分器输出电压减小。一般该电位器在出厂前已调整好,用户无需再调节。该电位器的最佳位置为Ug=10V时,在无反馈条件下α=0度。
 (4) RP9为Ug=0并保证α=150度时的限幅调节用电位器。顺时针调节该限幅值增加,逆时针调节该限幅值减小。
 (5) RP10为过流保护门槛调节电位器。顺时针调节该保护门槛增加,地针调节该保护门槛减小。
 (6) RP1为超速或过压保护门槛调节电位器。顺时针调节该保护门槛减小,逆时针调节该保护门槛增加。
 (7) RP19为电流截止保护门槛调节电位器。顺时针调节该保护门槛减小,逆时针调节该保护门槛增加。
 (8) RP11为欠励保护门槛调节电位器。顺时针调节该保护门槛减小,逆时针调节该保护门槛增加。
 (9) RP2为板内给定电位器。顺时针调节电枢给定电压增加,逆时针调节电枢给定电压减小。当用户使用板外电位器控制时该电位器无用,建议此时取掉该电位器。
 (10) RP15为励磁电流给定电位器。顺时针调节励磁电流给定值减小,逆时针调节励磁电流给定值增加。
 (11) RP4为实际转速(或电压)反馈值调节电位器。顺时针调节实际转速(或电压)反馈值减小,逆时针调节实际转速(或电压)反馈值增加。
 (12) RP8为励磁电流过流保护门槛调节电位器。顺时针调节保护门槛减小,逆时针调节该保护门槛增加。
 (13) RP14为励磁触发脉冲形成单元锯齿波幅值调节电位器。顺时针调节锯齿波幅值增加,逆时针调节锯齿波幅值减小。一般该电位器出厂前已调整好,用户无需再调节。
 (14) RP16为UgL=0时,励磁触发脉冲形成单元差分器最大输出电压调节电位器。顺时针调节差分器输出电压减小,逆时针调节差分器输出电压增加。该电位器的正确位置是UfL=0、UgL≠0时,TCA785输出触发脉冲相位对应励磁回路中交流电压α=0度的位置。一般该电位器出厂前已调整好,用户无需要再调节。
 (15) RP12为励磁回路最大α角调节电位器。顺时针调节该αmax角增大,逆时针调节该αmax角减小。一般该电位器在出厂前已调整好,用户无需再调节。
 (16) RP3为超速(或过压)保护转速或电压实际取样值调节电位器。顺时针调节该取样值减小,逆时针调节该取样值增加。
2.各接插件的作用及对外接线
  (1)接插件S3为控制电源及同步电压输入连接插座。该接插件中a1、b1、c1及a2、b2、c2分别接同步变压器中电源相电压为9V及8V的那两个三相绕组,而接插件中a、b、c分别接对应同步电源变压器中相电压为30V的那三相(注意相序不要接错),其300端接星形联接的三相同步电源变压器中三相同步电压之中性点。
 (2) 接插件S1中的G1、K1与G4、K4分别接三相整流电路中对应电网A相电压的共阴极与共阳极接法的两个晶闸管的门极和阴极;而G3、K3与G6、K6分别接三相整流电路中对应电网B相电压的共阴极与共阳极接法的两个晶闸管的门极和阴极;G5、K5及G2、K2分别接三相整流电路中对应电网C相电压的共阴极与共阳极接法的两个晶闸管的门极和阴极。
 (3) 接插件S2中的G7、K7与G8、K8分别接可调励磁半控整流电路中两只分别对应电网电压正负半周的晶闸管的门极和阴极。在被控电机为固定励磁的电机调速系统时,该接插件输出悬空。
 (4) 接插件S6中的201、227串于给电枢整流桥供电的三相交流接触器的线包回路中,而228、229串于给励磁整流桥供电的单相交流接触器的线包回路中。
 (5) 接插件S4中Iff与-V、300及S4中的+V一起接励磁回路中励磁电流取样的霍尔元件(当励磁回路电流取样应用霍尔元件时)。在励磁回路取样元件为交流电流互感器时,Iff与300接单相整流后的励磁电流取样信号输出,其307与308接复位按钮(常开接点的两端)。
 (6) 接插件S4中的If与+V、-V、300一起在电枢回路中电流取样环节为霍尔元件时接取样的霍尔元件,而当电枢回路电流取样通过交流电流互感器时,则If与300接三相整流后的电流信号输出。

四、应用举例

  KGS直流调速控制板的上述结构决定了它可方便地用于固定励磁或可调励磁主电路结构为三相全桥、三相半控桥的直流调速系统中。为便于用户使用,现举例说明其应用。
 1.用于主电路为三相全控桥的可调励磁直流调速系统中
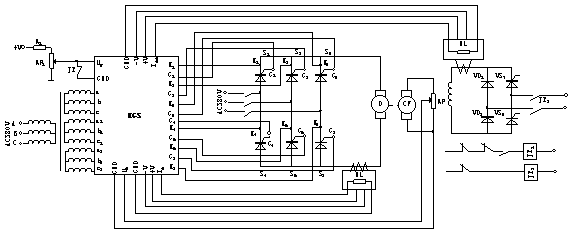
  这类系统的直流电机可为+220V与+440V,在电机为+220V时A、B、C三相来自变压器的二次侧,而当电机为+440V时,A、B、C三相可直接来自三相电网也可来自三相隔离变压器的二次侧。图中电枢电流及励磁电流均通过霍尔元件取样,并选用转速电流双闭环,此类系统一般有较宽的转速调整范围。图中,霍尔元件的容量可根据被调速电机额定容量的不同选用不同的值。KGS板用于这种系统的原理电路如图1所示,图中,RM1与RM2分别为两个霍尔元件的测量电阻,JZ1与JZ2的线包回路中分别串有KGS板中S引出的保护后分断各自主电路的接点信号,该系统运行于超速保护模式。



1 KGS板用于可调励磁直流调速系统时的原理示图
2.用于主电路为三相半控的固定励磁系统中

  KGS板用于这类系统的原理电路如图2所示。图中,选用电枢回路电压作为反馈构成电压、电流双闭环系统,控制板的保护方式为过压、过流、电流截止、缺相、错相保护,这类系统可在调速范围及精度要求不高的场合使用,并具有无需安装测速发电机这一优点。图中选用交流侧电流互感器对电流信号进行取样。同样,KGS板中S引出的故障信号接点串联于为电枢及励磁回路供电的交流接触器的线包回路中,因此,这样的系统可用于额定电压为+220V或+440V的直流调速系统中。

图2 KGS板用于固定励磁直流调速系统时的原理电路


陕西高科电力电子有限责任公司 版权所有

销售公司地址:西安市含光南路178号 邮 编:710065
电 话:029-85236567 85213405  传 真:029-85213405
电力电子与自动化成套厂 电话/传真:029-88218850 88049668
地址:西安高新开发区电子工业园(电子三路8号)903厂房 邮 编:710065