MJ1晶闸管触发脉冲末级板

  晶闸管的触发脉冲末级板在晶闸管设备中具有十分重要的作用,触发脉冲末级板对触发脉冲处理的不好,经常会造成晶闸管的误触发或不触发,轻则造成系统工作不正常,重则会导致烧坏晶闸管,我公司积多年从事电力电子成套装置的开发经验,研制出了MJ1晶闸管触发脉冲末级板,它以我公司自产的高性能触发脉冲变压器为核心,外配高质量的电子元器件,随着脉冲变压器是工频与中频的不同。该触发脉冲末级板可用于工频及中频系统,来触发普通晶闸管或中频快速晶闸管。
一、印制板外形尺寸
  长×宽×高=90mm×80mm×30mm
二、适配触发晶闸管范围
  可触发5~3000A/100~3500V晶闸管一单元。

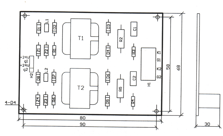
             MJ2两单元晶闸管触发脉冲末级板
一、概述

  MJ2型两单元晶闸管触发脉冲末级板是在一单元触发脉冲末级板的基础上增加了一个单元而形成的,它是为单相半控桥式可控整流或单相双半波可控整流系统及单相交流调压系统中应用而设计的,其每个单元的工作原理与一单元晶闸管触发脉冲末级板相同。
二、使用方法
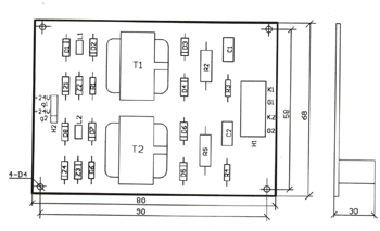
  两单元晶闸管触发脉冲末级板的外形尺寸为:长×宽×高=90mm×68mm×30mm,其实际元件排列示意图如图1所示。应用中接插件S1中的+24V、g1;+24V、g2;+24V、g3分别接脉冲触发板的两路脉冲输出,而接插件S2中的G1、K1;G2、K2分别接单相双半波或单相半桥系统中两个晶闸管的门阴极


图1 (点击上图可放大)

两单元末级板元件布置图及外形尺寸


三、输入输出负载能力

1.+24V、g1,+24V、g2要求提供电流为脉冲电流150mA,其脉冲宽度应为高频调制的双窄脉冲列,若为未调制的宽脉冲其每个脉冲宽度应不宽于300μS。
2.输出负载能力:G1、K1,G2、K2允许最大输出电流为脉冲电流400mA。
3.可触发5~1650A/100~3500V晶闸管两单元。

  
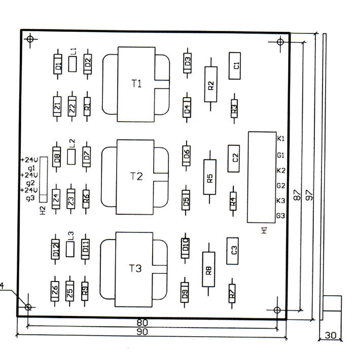
            MJ3型三单元晶闸管触发脉冲末级板

一、概述
  MJ3型三单元晶闸管触发脉冲末级板是在两单元触发脉冲末级板的基础上增加了一个单元而生产的,它是为三相半波或三相桥式半控整流或三相半波逆变电路中晶闸管的触发而设计的,还可以用于主功率器件为双向晶闸管的三相交流调压系统中。
二、使用方法
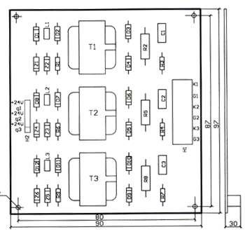
  三单元晶闸管触发脉冲末级板的外形尺寸为:长×宽×高=97mm×90mm×30mm,其实际元件排列示意图如图1所示。应用中接插件S1中的+24V、g1;g2;+24V、g3
分别接脉冲触发板的三路脉冲输出,而接插件S2中的G1、K1;G2、K2;G3、K3分别接主电路中三个共阴极或共阳极接法的晶闸管的门阴极。图2给出了该三单元未级板用于三相半控桥整流系统中的原理图。


  图1(点击上图可放大)                  图2  
三、输入输出负载能力
 1.+24V、g1,+24V、g2,+24V、g3要求提供电流为脉冲电流150mA,其脉冲宽度应为高频调制的双窄脉冲列,若为未调制的宽脉冲其每个脉冲宽度应不宽于300μS。
 2.输出负载能力:G1、K1,G2、K2,G3、K3允许最大输出电流为脉冲电流400mA。
 3.可触发5~1650A/100~3500V晶闸管三单元。
         
          MJ4型四单元晶闸管触发脉冲末级板

一、概述
  MJ4型四单元晶闸管触发脉冲末级板是在三单元触发脉冲末级板的基础上增加了一个单元而形成的,它是为单相桥式全控整流或单相桥式逆变工作电路中的四个晶闸管的触发而设计的。
二、使用方法
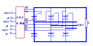
  MJ4型四单元晶闸管触发脉冲末级板的外形尺寸为:长×宽×高=127mm×85mm×30mm,其实际元件排列示意图如图1所示。应用中接插件S1中的+24V、g1,+24、g2,+24V、g3,+24V、g4分别接脉冲触发板的四路脉冲输出,而接插件S2中的G1、K1;G2、K2;G3、K3;G4、K4分别接主电路中四个晶闸管的门阴极。图2给出了该四单元未级板用于单相桥式整流系统中的原理图。


图1 (点击上图可放大)

图2
三、输入输出负载能力
1.+24V、g1,+24V、g2,+24V、g3,+24V、g4要求提供电流为脉冲电流150mA,其脉冲宽度应为高频调制的双窄脉冲列,若为未调制的宽脉冲其每个脉冲宽度应不宽于300μS。
2.输出负载能力:G1、K1;G2、K2;G3、K3;G4、K4每组允许最大输出电流为脉冲电流400mA。
3.可触发5~1650A/100~3500V晶闸管四单元。
          
          MJ6型
六单元晶闸管触发脉冲末级板

一、概述
  MJ6型六单元晶闸管触发脉冲末级板是在四单元触发脉冲末级板的基础上增加了一个单元而形成的,它是专为三相桥式可控整流或三相桥式逆变及三相交流调压系统中工作的六只晶闸管的触发而设计的。
二、使用方法
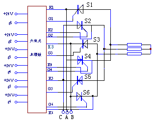
  MJ6型六单元晶闸管触发脉冲末级板的外形尺寸为:长×宽×高=190mm×95mm×30mm,其实际元件排列示意图如图1所示。应用中接插件S1中的+24V、g1,+24、g2,+24V、g3,+24V、g4,+24V、g5,+24V、g6分别接脉冲触发板的六路脉冲输出,而接插件S2中的G1、K1;G2、K2;G3、K3;G4、K4,G5、K5,G6、K6分别接主电路中六个晶闸管的门阴极。图2给出了该六单元未极板用于三相交流调压系统中的原理图。


图1(点击上图可放大)

图2六单元末级板用于三相交流调压系统中的原理图

三、输入输出负载能力
1.+24V、g1;+24V、g2;+24V、g3;+24V、g4;+24V、g5;+24V、g6要求提供电流为脉冲电流150mA,其脉冲宽度应为高频调制的双窄脉冲列,若为未调制的宽脉冲其每个脉冲宽度应不宽于300μS。
2.输出负载能力:G1、K1;G2、K2;G3、K3;G4、K4;G5、K5;G6、K6每路允许最大输出电流为脉冲电流400mA。
3.可触发5~1650A/100~3500V晶闸管六单元。
                                     
 

陕西高科电力电子有限责任公司 版权所有

销售公司地址:西安市含光南路178号 邮 编:710065
电 话:029-85236567 85213405  传 真:029-85213405
电力电子与自动化成套厂 电话/传真:029-88218850 88049668
地址:西安高新开发区电子工业园(电子三路8号)903厂房 邮 编:710065