一、概述
JQC1.0型晶闸管单相全控(半控)桥移相控制板是我公司根据用户对原JQC-I板的意见在原JQC-I板的基础上进一步完善而开发的,与JQC-I板相比,它具有下述优点:
1.其对外联结接插件一改原双面接触的老式二十二线接插件,为新型接插件,因而接触更加可靠,联线不易接错。
2.输入信号与输出信号分为两个接插件,使用户应用起来更加方便。
3.印制板上增加了助焊阻焊,字符及防腐工艺,使用更加可靠,更便于维修。
4.印制板四周增加了屏蔽层,抗干扰性能更好,且四周增加了安装固定孔,故使用中不需要插件箱,满足了不同用户的需要。
5.在原JQC-I型板的基础上增加了给定积分器,过压过流闭环调节器及保护单元,因而一块JQC1.0板便可取代KJT1给定积分板,KJT2过流、过压保护板及闭环调节板,JQC-I型单相板共四块印制板,因而减少了对外联结线,使系统可靠性得以提高。
二、主要技术参数
JQC1.0板的主要技术参数如下:
1.输入同步信号,单相,其相电压为交流14到30V均可正常工作,对同步电源的电流需求小于10mA。
2.输入电源电压双交流18V,故板上可产生用户三相控制系统所需的±15V(其负载能力0.5A)及触发末级所需的+24V电源(负载能力1A)。
3.输出两路(用于单相全控桥触发或单相半控桥触发)的触发脉冲,自身含脉冲功放部分,用户仅需配敝公司生产的四块或两块晶闸管触发脉冲末级板及外接一个给定电位器便可构成单相交流调压或直流电动机调速或其它系统。
4.自身含有脉冲封锁端,该封锁端S低电平有效,使用户可方便的用来在故障情况下封锁触发脉冲,保证系统安全。
5.自身含有给定积分环节、积分上升及下降时间可调。
6.自身含有过压过流保护网络,保护门槛可调,用户仅需把来自输出电流或电压检测单元(可以交流也可以直流)输出的信号0到18V送入反馈信号If及Uf连接端,便可进行过流或过压下的保护,保护后即给出一常闭接点信号(容量220V/1A或380V/0.5A),使用户用来分断自己,系统的主电路,同时封锁触发脉冲,保证系统安全。
7.自身含有电流(或电压)闭环PI调节器,随所接反馈信号的不同可构成稳压或稳流或稳速系统。
8.安装尺寸如附图1所示,四个孔均为φ4,其孔距如附图1所示。
9.最大外形尺寸长×宽×高=155mm×97mm×28mm。
附图1 JQC1.0 元件布置及外行尺寸图(电击上图可放大)
|
三、用户须知及使用方法
1.JQC1.0板的实际印制板外形和可调电位器位置排列如附图所示,其中电位器W2为给定积分下降时间调节电位器,顺时针调节给定积分下降时间变短,逆时针调节给定积分下降时间变长,电位器W3用来调节给定积分上升时间,顺时针旋转给定积分上升时间变短,逆时针调节给定积分上升时间变长,电位器W4为用户需构成闭环的电压(或电流)或转速反馈量及过压(过流或超速)保护的实际值大小的调节电位器,顺时针旋转反馈量减少,逆时针旋转反馈量增大,电位器W5为差分器初始电压调节电位器,顺时针调节差分器输出初始电压增加,逆时针调节差分器输出电压减小,差分器用来把调节被控系统实际输出的电压(或电流或转速)的给定值曲线变为与反馈量相同走势的曲线,以便实现闭环调节后的稳定输出量功能,电位器W6用来调节一个保护(过流、过压、超速)的实际测量值,顺时针调节该测量值减小,逆时针调节该测量值增大。电位器W8用来调节另一个保护(过流、过压、超速)动作门槛值,顺时针调节该保护门槛值增加,逆时针调节该保护门槛值减小;电位器W7用来调节用户系统需实现闭环稳定功能的那个反馈量超限保护动作的门槛值,顺时针调节该门槛值减小,逆时针调节该保护门槛值增大,电位器W9用来调节被控系统晶闸管最大导通角(即最大α角),顺时针调节最大导通角增大,逆时针调节最大导通角减小;电位器W10用来调节同步锯齿波幅值,顺时针调节锯齿波幅值增加,逆时针调节锯齿波幅值降低;W1为调试板子时用的给定电位器,对用户来说它无用。
2.JQC1.0板左侧的AC18V、GND、AC18V分别接用户电源变压器的二次电压,其电流容量为0.5A,K、GND接同步变压器的二次相电压,电压幅值14到30V,其电流容量为0.1mA,+15V及-15V提供给用户系统使用,其负载能力为0.5A,用户仅需在+15V与GND之间接一个四分之一瓦2K电阻与一个二分之一瓦4.7K的电位器相串联的网络,并把电位器的中间点接该接插件的g端便可通过调节电位器调节给定电压来调节单相晶闸管桥(或单相调压网络)的输出电压,剩下的接线端S用来实现故障情况下的封脉冲,它为一输出信号,低电平有效,用来实现故障下的封外部电路。剩余的Uf、If分别接用户反馈信号,其中Uf为构成闭环的反馈量连接端,If为另一个保护反馈量的连接端。
3.JQC1.0板右侧的+24V、g1;+24V、g2分别用来接用户触发脉冲末级板(半控桥两个、全控桥四个、半波电路一个)的输入端。
4.JQC1.0板右侧的A、B之间为一常闭接点,串入用户主接触器的线包回路,用在故障下分断用户系统主电路,其中p、e端接一故障指示发光二极管。
5.S2插座的9#、10#插针之间接一常开复位按钮,用在故障情况下复位。
6.当JQC1.0板用于闭环稳压系统时,则接插件S1的Uf端接实际系统输出电压反馈值,(其亦为过压保护实际电压取样值输入端),而接插件S1的If端接实际系统输出电流信号取样值,此时JQC1.0板工作于稳压及过压,过流保护状态,而当JQC1.0板用于闭环稳流系统时,则接插件S1的Uf端接实际系统输出电流反馈值(其亦为过流保护实际电流取样值输入端),而接插件S1的If端接实际系统输出电压信号取样值,此时JQC1.0板工作于稳流及过压、过流保护状态。
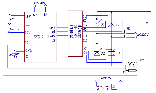
7.JQC1.0板应用举例—用于单相全控桥系统的原理如图2所示,图中CT为电流传感器。
图2 JQC-1.0控制板用于单相全控桥系统的原理图
|

|