
一、概述
KCZ6.1晶闸管三相全控(半控)桥移相触发控制板是我公司根据用户对原TC-Z6.1板的意见在原TC-Z6.1板的基础上进一步完善而开发的,与TC-Z6.1板相比,它具有下述优点:
1.其对外联结接插件一改原双面接触的老式二十二线接插件为新型接插件,因而接触更加可靠,联线不易接错。
2.输入信号与输出信号分为叁个接插件,使用户应用起来更加方便。
3.印制板上增加了助焊阻焊,字符及防腐工艺,使用更加可靠,更便于维修。
4.印制板四周增加了屏蔽层,抗干扰性能更好,且四周增加了安装固定孔,故使用中不需要插件箱,满足了不同用户的安装需要。
5.在原TC-Z6.1板的基础上增加了给定积分器,因而避免了用户阶跃给定时输出电压或电流的冲击,所以应用性能更加方便理想!
6.在原KC-Z6.0板的基础上增加了差分器,满足了当用户给定电压最大,被控系统输出电压最大,当用户给定电压最小,则被控系统输出电压最低,这样更合乎常规的习惯和逻辑!
7.在原KC-Z6.0板的基础上增加了故障保护,使用户可方便的用来进行过流(或过压)保护,保护后一则封锁该控制板的触发脉冲,同时给出一组220V/1A(或380V/0.5A)的常闭接点信号,使用户可方便的用来分断自己所应用系统的主电路,保证系统安全!
二、使用条件
1.海拔:≤1500m;
2.环境温度:-10℃~ +45℃;
3.空气最大相应对湿度:≤90%(相对环境温度20℃时);
4.周围无导电及爆炸尘埃,无腐蚀金属及破坏绝缘的气体;
5.无剧烈振动和冲击。
三、基本工作原理
KCZ6.1板的基本工作原理与TC-Z6.1板基本相同,它以敝公司开发生产的TC787为核心单元,TC787是一高性能的18引脚标准双列直插式集成电路,它集恒流源,移相逻辑,零点识别,脉冲分配,脉冲调制,抗干扰电路等功能于一体,一片可取代5片KJ(或KC)系列集成电路的组合或3片TCA785与KJ041及KJ042的组合电路。因而抗干扰性能更好,性能更优越,它的应用极大的减少了印制板的尺寸。同时KC-Z6.1板在原TC-Z6.1板的基础上增加了给定积分器及过压(或过流)保护单元。
四、主要技术参数
KCZ6.1板的主要技术参数如下:
1.输入同步信号为三相,其相电压为交流14V~30V均可正常工作,对同步电源的电流需求小于100μA。
2.输入电源电压双交流18V,故板上可产生用户三相控制系统所需的±15V(其负载能力50mA)及触发末级所需的+24V电源(负载能力为脉冲电流1A)。
3.输出六路(用于三相全控桥触发)或三路(用于三相半控桥触发)的触发脉冲,自身含脉冲功放部分,用户仅需配敝公司生产的六单元或三单元晶闸管触发脉冲末级板及外接一给定电位器便可构成三相交流调压或直流电动机调速或其他系统。
4.自身含有故障保护单元(过压或过流保护),保护后除封锁该控制板的输出脉冲,还同时给出一组220V/1A或380V/0.5A的常闭接点信号,使用户可方便的用来在故障情况下,分断被控系统的主电路,保证整个系统安全。
5.自身含有给定积分器,积分时间可调,使用户可方便的用来实现软起动功能。
6.安装尺寸如附图1所示,四个孔均为Φ4,其孔距如附图1所示。
7.最大外形尺寸长×宽×高=152mm×115mm×28mm。
图1 KCZ6.1板的实物外形及元件布置安装尺寸图
五、用户须知及使用方法
1.KCZ6.1板的中主要零部件的印制板元件布置示意图如附图1所示,其中电位器W1、W2、W3用来调节三相同步电压的平衡,顺时针旋转送入集成电路TC787管脚的等效同步电压降低,逆时针调节送入TC787管脚的等效同步电压升高。W4为最大α角限幅调节电位器,顺时针旋转最大α角限幅值减小,逆时针旋转最大α角限幅值增大。W5为差分器偏置给定电位器,顺时针调节偏置电压增加,逆时针调节偏置电压降低。W6为被控系统实际电压或电流测量值信号调节电位器,顺时针调节实际电压或电流测量值减小,逆时针调节实际电压或电流测量值增加。W7、W8分别为给定积分上升及下降时间调节电位器,顺时针调节给定积分上升及下降时间变短,逆时针调节给定积分上升及下降时间变长。W9为故障(过压或过流)保护门坎调节电位器,顺时针调节故障保护门坎减小,逆时针调节故障保护门坎增加。W10为调试该控制板时所用的电位器,对用户来说它没有作用。
2.KCZ6.1板左侧的~18V、⊥、~18V分别接用户电源变压器的二次电压,其电流容量为0.5A,而a、GND;b、GND;c、GND分别接同步变压器的二次相电压,其电流容量为50mA,+15V及-15V提供给用户系统使用,其负载能力为50mA,用户仅需在-15V与GND之间接一个四分之一瓦2K的电阻与一个二分之一瓦4.7K的电位器相串联的网络,并把电位器的中间点接该接插件的UK端便可通过电位器调节给定电压来调节三相晶闸管整流桥(或三相调压网络)的输出电压,剩下的接线端S用来实现故障情况下的封脉冲,它为一输出信号,故障时为高电平,其所需电流容量为几十微安。
3.KCZ6.1板右侧的+24V,g1;+24V,g2;+24V,g3;+24V,g4;+24V,g5;+24V,g6分别用来接用户触发脉冲末级板的输入端。
4.KCZ6.1板右侧的A、B间为一容量220V/1A或380V/0.5A的常闭接点,用户可用来串在自己的主电路接触器线包支路,以便故障情况下来分断被控系统的主电路。
5.当KCZ6.1板用在板内过流保护方式下工作时,其左侧接插件S2中的Uf端接电流取样信号输入,而当KCZ6.1板用在板内过压保护方式下工作时,其左侧的接插件S2中的Uf端接电压取样信号输入,若不用KCZ6.1板内的过压或过流保护时,可在S端直接输入一对应故障状态时为高电平(高于10V)的信号来实现外部保护功能。
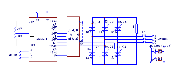
6.KCZ6.1板用于实际系统举例,图2给出了KCZ6.1板用于三相全控桥系统中,在应用板内过流保护模式下工作的原理电路图,图中CT为电流传感器。

图2
7.KCZ6.1板的输出输入负载能力
7.1 输入信号:KCZ6.1板的双交流18V要求供给电流为0.5A,其A、B间的触点容量为220V/3A、380V/1A,而三相同步信号a、b、c要求供给电流为50mA,电压为相电压30V。
7.2 输出负载能力:±15V电源,最大负载能力为50mA,24V最大负载能力为300mA,g1~g6允许最大脉冲电流为150mA。
8.当KCZ6.1板用于主回路不带变压器的三相可控整流系统时,建议同步变压器接为Δ/Y-11,而当KCZ6.1板用于主电路不带变压器的三相交流调压或三相过零触发系统时,建议同步变压器接为Y/Y-12,在主电路带有变压器时,同步变压器的接法应与主电路中变压器的接法相匹配。