一、概述
JQC3.1型晶闸管三相半控触发控制板是专为主电路为三相半波或三相桥式半控电路拓扑结构的电力电子成套装置中晶闸管的触发板控制而设计的,所以它可以广泛地用于上述电路结构的直流调速、三相交流调压、直流电源等领域,与KCZB触发板相比它省去了三相缺相及错相保护,所以外形尺寸较KCZB板小,结构更加紧凑。
二、主要技术指标
1.输入工作电压为三路三相交流,相电压分别为8V、9V及14~30V,50Hz;
2.板内含有给定积分环节,给定积分时间可在0~30秒调节;
3.板内含有过压(过流)及欠压(欠流)保护,在进行过压及欠压保护时为稳流系统,在进行过流及欠流保护时为稳压系统,是稳压还是稳流可由用户自行在板内以拔码开关来选择,所以具有很大的灵活性;
4.以进口的TCA785为触发脉冲形成芯片,所以可靠性更为提高;
5.板内工作电源以三相交流进线形成,所以当电网一相停电时,不会引起控制板脉冲变乱,抗干扰能力更强;
6.板内含有脉冲封锁单元,保证起动或停机时主电路中主接触器在零电流下合闸及分闸,既延长了接触器的寿命又避免了用户系统的冲击;
7.输出可直接驱动容量在1650A以下的三个晶闸管,使用户系统配线更加方便;
8.具有保护后系统自复位功能,保护到自复位的时间可调;
9.外形尺寸为:长×宽×高=220mm×217mm×38mm;
10.安装尺寸及孔距为:长×宽=200mm×200mm,四孔φ4.3。
三、使用方法
JQC3.1型板的元件布置如附图1所示。由图可见,其板内共有6个接插件与外部连接,17个电位器和1个输出选择开关IC7。
图1 JQC-3.1控制板元件布置示意图(上图点击可放大)
|
各电位器的功能及作用如下:
1.电位器P1为给定积分时间调节电位器,顺时针调节给定积分时间变短,逆时针调节给定积分时间变长。给定积分的作用表现在实现用户突加给定时从输出从0V到用户系统设定最大值之间的变化为一斜坡函数,避免用户系统的冲击。
2.电位器P5为当用户面板上的输出调节电位器为最大给定时,差分器输出最低电压的调节电位器。该最低电压对应用户系统中晶闸管电源的最高输出电压,随着P5调节位置的不同可限定电源的最高输出电压。
3.P16、P17、P18为三相同步电压平衡调节电位器,该三个电位器的作用还表现在调节同步电压的RC滤波时间常数,即调节同步电压相对于主电路是晶闸管阳阴极电压的延迟角度,顺时针调节加到TCA785管脚5#前限流电阻上的等效同步电压增加,即RC滤波时间常数减阳小,逆时针调节加到管脚5#前限流电阻上的等效同步电压降低,即RC滤波时间常数增大。
4.电位器P4为电流截止保护门槛调节电位器,顺时针调节电流截止保护门槛降低,逆时针调节电流截止保护门槛增加。
5.P3为欠压(欠流)保护第二级门槛调节电位器,该电位器一经调好便不需要再调。
6.P9为过压(过流)保护动作门槛调节电位器,顺时针调节保护动作门槛增加,逆时针调节保护门槛降低。
7.P13为欠压(欠流)保护动作门槛调节电位器,顺时针调节保护动作门槛增加,逆时针调节保护门槛降低。
8.P2电位器为给定最小时,差分器输出加到TCA785管脚11#的移相电压最大值调节电位器,顺时针调节该限幅值增大,逆时针调节该限幅值减小,即负载端输出的直流电压在该电位器顺时针调节时减小,逆时针调节时增大。
9.电位器P7为调节输出电压或电流幅值高低的电位器,顺时针调节用户系统输出电压增加,逆时针调节输出电压降低。
10.电位器P10、P11、P12分别对应a、b、c三相的同步锯齿波幅值调节电位器,顺时针调节对应锯齿波幅值增加,逆时针调节锯齿波幅值减小。该三个电位器出厂前已调好,一般不需再调节
11.电位器P8、P6、P14分别对应过门(过压或过流)和欠门(欠压或欠流)及输出调节三个电位器上的最高电压之微调电位器,顺时针调节加到该三个电位上的电压减小,逆时针调节加到该三个电位器上的电压增大。
12.四位拔段开关SW1使用中,其左一位总朝上拨,从左朝右的第三位朝上拨其余位朝下拨时为额定输出较高电压时的输出稳流工作方式;而从左朝右的第四位朝上拨其余位朝下拨,对应额定输出较低电压时稳流工作方式。此两种状况下保护环节均为过压及欠压保护。
各接插件的对外接线方法;
1.接插件S1中的G1、K1;G3、K3;G5、K5分别接主电路中对应三相电网A、B、C的晶闸管门极与阴极。
2.接插件S6中的a、b、c、300分别接三相同步电源变压器中副边为星形接法且对应于三相电网A、B、C的三相同步电压及星形绕组的中性点,同步电压可取6~30V(相电压)均可。
3.接插件S4中的+15V、-15V、300、HLI在用户系统应用霍尔电流传感器检测电流信号时,接霍尔电流传感器的正电源、负电源、参考地及取样输出端。而HLV1、+15V、-15V、300及HLV2、+15V、-15V、300分别接霍尔电压传感器的取样输出端M、正电源、负电源及参考地。当用户系统输出电压变化范围不大时,可接入HLV1或HLV2任一路即可;当用户控制系统输出电压在很大范围变化时,为保证给定不变可采用HLV1与HLV2两路对应不同的主电路输出而有相同的反馈电压值(HLV1与HLV2也可以用电阻分压的办法直接从被控系统输出得到,HLI亦可用分流器取出的毫伏信号放大后得到,要求HLV1、HLV2及HLI的取值范围为0~10V直流)。
4.接插件S3中的300#为控制板的参考地,其305#与300#之间接一主接触器的常闭接点,其作用是防止在启动过程中板内的欠流(或欠压)保护误动作。其307#与308#之间可外接一常开触点进行保护后的人工复位,由于JQC3.1板内已有复位,故一般307#与308#悬空不接,当用户要求人工复位不需要板内自动复位时,可拆除板内的R18而在307#与308#之间接一常开按钮。
S3中P与309之间一般接一与用户系统主接触器同步动作的常闭接点,其作用是保证每次起动系统都是在等效给定为零的状态下进行,避免在给定电位器未旋到Ug为零时起动造成的冲击而损坏晶闸管,这一要求在负载为容性负载时显得极为重要,也给用户带来了不必每次起动时都要将给定电位器旋至原位以保证输出电流都从零状态缓缓上升的优点。
接插件S3中L与300之间一般接用户起动按钮(接常开接点),以实现每次起动或停机都使主接触器在零电流下合分。剩余的Ug、300与接插件S3中P*1之间接用户给定电位器,Ug接给定电位器中点,300与P*1接该电位器两固定端。
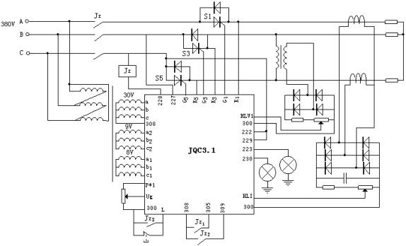
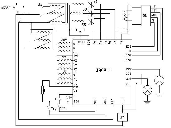
当用户应用板内的门槛设定电位器P10及P1来设定过门(过压或过流)及欠门(欠压或欠流)门槛时,LVG及OVG分别为欠门及过门设定值,可接指示仪表或悬空。当用户需要把门槛设定电位器放于柜门上不要板内的门槛设定电位器时,请拆除板内的电位器P10及P1,此时LVG及OVG分别与接插件S1中的P*2、P*3及300#接用户柜门上的欠门设定电位器(LVG接电位器中间头,P*2与300#接两固定头)及过门设定电位器(OVG接电位器中间头,P*3与300#接两固定头)。外接的给定电位器和门槛设定电位器阻值不应小于4.7kΩ,功率不应小于1W。图2给出了JQC-3.1控制板用于三相半波可控整流电路中的接线示意图,而图3给了JQC-3.1型晶闸管触发控制板用于三相半控调压系统的原理图。
图2 JQC-3.1型晶闸管触发控制板用于三相半波整流系统原理图
|
 |
图3 JQC-3.1型晶闸管触发控制板用于三相半控交流调压系统原理图
 |