
KCZ6.2晶闸管三相全控(半控)桥智能型控制板
一、主要设计特点
KCZ6.2晶闸管三相全控(半控)桥智能型控制板是在我公司开发的KCZ6.0及KCZ6.1型晶闸管三相全控(半控)桥控制板的基础上进一步改善和提高性能而开发的,它吸收了KCZ6.0及KCZ6.1板的优点,而摒弃了其缺点,在性能上更加完善,功能更强,它可用于三相桥式全控、三相桥式半控或三相半波(或双反星形)晶闸管整流电路及三相交流调压系统中作为晶闸管的移相触发控制单元,它集给定积分器,闭环调节器,过压过流保护于一体,使用户应用起来更加方便,它的核心芯片仍是TC787。概括的来讲,该板具有下述主要特点:
1.同步滤波网络可消除同步信号中的畸变和干扰,提供30度相移,并对三相同步信号进行微调,使控制板和工作系统有良好的配合。
2.电路采用集中式恒流源,相对误差小,三相锯齿波线性度好,斜率一致性好。
3.电路板上设计有一功能选择点,如电路中TC787的6脚与其17脚相连则输出为双脉冲方式。6脚如和3脚
相连,输出为单脉冲方式。
4.输出为调制脉冲列,适配脉冲变压器触发晶闸管(可控硅),宽度可调,对感性负载的工作系统触发尤为可靠。
5.有脉冲输出控制端,该端可用作过流或过压时的封脉冲保护,也可用作正反组可逆系统的逻辑切换以及过零触发系统的开关控制端。该端为TC787的5脚,高电平禁止脉冲输出。
6.输出线路稍加修改可用于主功率器件为双向晶闸管的三相交流调压系统。
7.板上自带工作整流稳压电源,用户仅需外接双18V/0.5A的交流电源便可工作,由于TC787单电源工作,但考虑用户的需要,板上有±15V的双路稳压输出和24V输出。
8.板内带有闭环调节器,随着用户外接反馈信号是电压或电流的不同,用户可方便的构成稳压或稳流系统,实现恒压或恒流控制。
9.板内带有过压及过流保护单元,可用来进行故障情况下的保护,保护后除封锁KCZ6.2板输出的触发脉冲,还给出一个380V/0.5A或220V/1A的常开触点用来分断用户系统主电路。
二、使用条件
1.海拔:≤1500m;
2.环境温度:-10℃~+45℃;
3.空气最大应对湿度:≤90%;
4.周围无导电及爆炸尘埃,无腐蚀金属及破坏绝缘的气体;
5.无剧烈振动和冲击。
三、KCZ6.2板的使用方法
3.1 KCZ6.2板的外形尺寸为:长×宽×高=145mm×105mm×30mm,板上 主要元器件的位置及元件标号、对外引线接插件及信号名称如附图1所示。其安装尺寸亦如附图1,为四孔安装,孔径φ4,孔距示意如附图1 |

附图1 KCZ6.2板外形尺寸及元件布置图
3.1.1 接插件S1的a、GND,b、GND,c、GND分别接三相同步变压器中对应A、B、C三相的三个30V绕组,
在主电路不带变压器时,若KCZ6.2板用于三相可控整流系统,则建议同步变压器接为Δ/Y-11,若KCZ6.2板用于三相交流调压系统,则建议同步变压器接为Y/Y-12;当用户主电路带有变压器时,则S1中的a、GND,b、GND,c、GND分别接与主电路接法相匹配的三相同步变压器付边的三个相电压为30V的绕组,而Ug、+V、GND分别接一阻值为10K二分之一瓦的电位器之中间抽头及两个固定端,建议该电位器一个固定端接GND,另一个固定端通过一四分之一瓦2K的电阻接+V。
3.1.2 接插件S2中的A*、B*两点间为一触点容量为220V/2A或380V/1A的常开接点,该常开接点可用在故障状况下来分断用户系统的主电路。
3.1.3 接插件S3中的+24V,g1;+24V,g2;+24V,g3;+24V,g4;+24V,g5;+24V,g6分别为三相六路脉冲输出端,其用来与用户系统的触发脉冲末级板或脉冲变压器相连,用户可根据功率要求不同直接选用我公司的触发脉冲末级板。当KCZ6.2板用于三相全控桥或三相交流调压系统中时,g1~g6分别接对应主电路中六个晶闸管的触发脉冲末级板或脉冲变压器的原边,而当KCZ6.2板用于三相半控桥式晶闸管共阴极接法可控整流或三相半波共阴极系统时,仅需把g1、g3、g5与对应主电路中三个晶闸管的触发脉冲末级板或脉冲变压器原边连接,g2、g4、g6悬空,同理当KCZ6.2板用于三相桥式半控晶闸管共阳极接法或三相半波共阳极系统时,仅需把g2、g4、g6接对应主电路中的三个晶闸管的触发脉冲末级板或脉冲变压器原边,而把g1、g3、g5悬空。
3.1.4 接插件S4中的18V、GND、18V分别接二次侧电压为双交流18V的电源变压器付边的三个连接端,其GND接双交流18V的中间抽头端。
3.2 KCZ6.2板内共有9个电位器,各电位器的排列位置可参图1,其各自的作用和调节方法如下:
3.2.1 W1、W2、W3为同步信号幅值调节电位器,它们的作用除表现在使加在TC787 18#、1#、2#管脚的同步信号幅值变化,还同时对同步信号进行T型滤波,顺时针调节时TC787
18#、1#、2#管脚的等效同步信号幅值降低,T型滤波网络时间常数增大,逆时针调节时TC787 18#、1#、2#管脚的等效同步信号幅值升高,T型滤波网络时间常数减少。
3.2.2 W4为板内给定调节电位器,当KCZ6.2用作板内给定时,W4顺时针调节,给定信号幅值增加,逆时针调节给定信号幅值减少,在KCZ6.2板用于外部给定时,请将W4的中线断开,此时W4无作用,外部给定信号为直流+0~12V。
3.2.3 W5为给定信号为零时最大的α角乄max限幅调节电位器,顺时针调节乄max减小,逆时针调节乄max增大,实用中应在给定为零时,调节W5,使α角为150°(电阻负载)或90°(电感负载),一次调好后不再需要调节。
3.2.4 W6为给定信号最大时,最小的α角乄min限幅调节电位器,顺时针调节乄min增加,逆时针调节乄min减小,一般在给定为最大时,调节W6使乄min=0°,一次整定好便不需要再调节。
3.2.5 W7为反馈系数调节电位器,顺时针调节反馈系数增加,逆时针调节反馈系数减小。
3.2.6 W8为反馈信号Uf保护门坎调节电位器,顺时针调节过压保护门坎值减小,逆时针调节过压保护门坎值增加。
3.2.7 W9为保护信号If保护门坎调节电位器,顺时针调节过流保护门槛值增大,逆时针调节过流保护门槛值减小。 |
四、电参数与波形图
KCZ6.2板输出脉冲各点的波形如图2所示,图中P2代表TC787 2# 引脚的波形依次类推。其特性参数如下:
图2 |
1.交流同步电压:三相30V(相电压有效值);
2.外配同步变压器接法:380V/30V Δ/Y-11或Δ/Y-12;
3.移相控制电压:0~10V直流;
4.移相范围:0~177°;
5.触发脉冲形式:脉冲调制式;
6.调制脉冲列频率:5~10KHz;
7.输出级允许最大脉冲负载电流:<300mA;
8.各相脉冲不均衡度:<±3°;
9.输入交流电源:双交流18V/0.5A;
10.输出稳压电源:±15V/50mA;
11.功耗电流:<25mA;
12.工作温度范围:-10℃~45℃。
五、应用
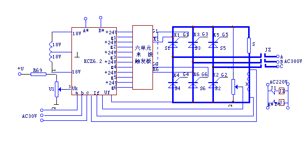
1.用于三相整流系统
KCZ6.2板配上电源变压器、同步变压器及我公司生产的3单元或6单元末级触发板,就可适应三相全控桥、半控桥、三相零式双反星形及三相交流调压系统的控制。
KCZ6.2用于三相半控桥整流系统的原理电路如图3所示,主电路为三只晶闸管(可控硅)和三只二极管组成的半控桥整流调压系统,KCZ6.2板用于三相全控桥整流系统的原理电路如图4所示,主电路为六只晶闸管(可控硅)组成的全控桥整流调压系统。 |

图3

图4
考虑到KCZ6.2板上有30°的相移,三相同步变压器应根据主回路变压器的接法而确定,KCZ6.2板要求的三相同步输入电压为30V,KCZ6.2板可以进行滤波并通过三只微调电位器微调三相同步电压的相位。移相电压可通过电位器用手动调节,也可以用主回路采样电流或电压信号进行积分放大,与给定电压相加,取得移相电压,通过闭环对系统进行稳压或稳流。移相电压的调整范围应根据系统的要求和负载的情况,通过改变电位器上下的分压电阻或外电路而决定,以取得相应的移相角范围。移相电压调整的幅度范围应和积分电容上锯齿波的幅度一致;另
外考虑到电路在积分电容上放电的离散性,移相电压的零电位应比TC787的负电源正0.2V,即移相电压的调整幅
度范围应在0.2~12V左右。 |
2.用于三相交流调压系统

图5(a) 负载三角形接
图5(b)负载星形接法
三相交流调压系统的控制部分与三相整流系统的控制部分类似,只是控制的主回路不同,图5(a)为三相半
控调压,图5(b)为三相全控调压,负载可以是△型,也可以是Y型。利用TC787的控制端也可用作交流过零开关, 将移相电压调在0.2V,改变控制端的电位,即可达到过零开关的目的。
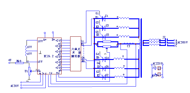
3.用于三相双反星型直流稳压电源系统
KCZ6.2板用于这类系统中的原理如图6所示,图中S1~S6六只晶闸管的门极触发信号来自KCZ6.2板输出的六
路脉冲。 |

图6
六、KCZ6.2板的输出、输入负载能力
7.1 输入信号
KCZ6.2板的双交流18V要求供给电流仅为50mA,三相同步信号要求供给电流为50mA,而Vf、If要求电流幅值为20mA,其幅值为交流或直流,给定信号为20mA,幅值为直流0~12V。
7.2 输出负载能力1.+15V、-15V最大负载能力为50mA,+24V最大负载能力为脉冲电流300mA,g1~g6最大允许脉冲电流为150mA。
2.提供给用户的保护接点A*、B*间允许施加交流电压220V/1A或380V/0.5A。