一、简介
KCZ6.3型晶闸管三相全控(半控)桥控制板,是在KCZ6.0型三相全控(半控)桥控制板的基础上增加了保护功能而形成的,所以它除具有KCZ6.0板所具有的一切功能外,还具有过压(或过流)保护功能,保护门槛可调,保护后在封锁自身输出脉冲的同时,还为用户提供一触点信号(触点容量220V/1A或380V/0.5A),使用户可用其来在故障情况下分断自己系统的主电路,实现完善的保护功能,整个印制板的外形尺寸为长×宽×高=152mm×97mm×40mm,采用四孔平面安装,安装孔距长×宽=142mm×87mm.
二、使用条件
1.海拔:≤1500m;
2.环境温度:-10℃ ~+45℃;
3.空气最大相对湿度:≤90%(相对环境湿度20℃时);
4.周围无导电及爆炸尘埃,无腐蚀金属及破坏绝缘的气体;
5.无剧烈振动和冲击。
三、KCZ6.3三相全控(半控)桥控制板的使用方法
1.KCZ6.3板的外形尺寸为:长×宽×高=152mm×87mm×28mm,其采用四孔平面安装,实际对外引线如附图1所示,其与用户系统的联接共有四个接插件,各插件与用户系统的连接方法为:
1.1 插座S2的对外连线
(1) S2中的18V、GND,18V分别接带有中间抽头的双交流18V绕组的电源之变压器副边的两个绕组端及中间抽头端。
(2) a、GND;b、GND;c、GND分别接三相同步变压器副边的相电压为30V的三个绕组,在KCZ6.3板用于主电路不带变压器的三相可控整流系统中作控制时,建议三相同步变压器接为Δ/Y-11,而当KCZ6.3板用于主电路不带变压器的三相系统中做三相交流调压控制时,建议同步变压器接为Y/Y-12;在主电路带有变压器时,KCZ6.3板的三相同步电压应来自其接法与主电路变压器接法相适应的同步变压器之付边。
(3) S2插座中的+15V、GND;UK三端接一外部给定电位器,电位器的阻值为4.7K,其一端通过一2K的电阻接+15V,另一端接GND,而中间抽头接UK。
(4) S2插座中的S在KCZ6.3板用于板内保护时为一输出信号,其高电平有效接用户系统,用于故障保护时与用户系统同步,在KCZ6.3板用于外部保护时,其为一输入信号,高电平(大于10V)有效,其输出、输入负载能力为2mA。
1.2 插座S4的对外联线
S4的Uf与If分别接被控系统的电压与电流取样信号,该两个端口用来进行过压或过流保护,其允许输入电压信号值为交流或直流0~10V,其负载电流能力为20mA。
1.3 插座S1的对外接线
插座S1中的+24V,g1;+24V,g2;+24V,g3;+24V,g4;+24V,g5;+24V,g6分别接对应于主电路中六个晶闸管的脉冲末级板或脉冲变压器的原边输入端。
图1
1.4 插座S3的对外接线
插座S3两个引出端A、B间为一常开接点,其触点容量为220V/1A或380V/0.5A用在故障保护时分断用户系统的主电路。
2.KCZ6.3板内各电位器的作用及调节方法
KCZ6.3板内共有9个电位器,各电位器在板内的布局示意图如图1所示,其各自作用和调节方法如下:
2.1 W1、W2、W3三相同步信号平衡调节电位器,该三个电位器用来调节加到TC787
18#、1#、2#三个管脚的输入三相同步信号幅值的高低,实现三相同步信号幅值的相等,同时该三个电位器的调节,可调对同步信号滤波的T型网络的时间常数,实现输出脉冲的三相相位与主电路被控晶闸管阳阴极电压相位的同步。顺时针调节时TC787
18#、1#、2#管脚的等效同步电压幅值降低,T型滤波网络时间常数增加;逆时针调节加到TC787 18#、1#、2#管脚的同步电压幅值增加,即T型滤波网络时间常数减小。
2.2 W4为最大α角限幅调节电位器,顺时针调节最大α角限幅值减小,逆时针调节最大α角限幅值增大。
2.3 W6为过压保护取样信号幅值调节电位器,该电位器用来对电压取样信号与过压保护门槛值进行匹配,逆时针调节等效取样信号值增大,顺时针调节等效取样值减小。
2.4 W9为过压保护门槛调节电位器,顺时针调节保护门槛增加,逆时针调节保护门槛减小。
2.5 W5为内部给定信号调节电位器,用于调板或内部控制时作为给定信号,控制板调好后或用户外部给定时无作用,此时应把其中点线断开。
2.6 W7过流保护取样信号幅值调节电位器,该电位器用来为电流取样信号与过流保护门槛值进行匹配,逆时针调节等效取样信号值增大,顺时针调节等效取样值减少。
2.7 W8为过流保护门槛调节电位器,逆时针调节过流保护门槛增大,顺时针调节过流保护门槛减小。
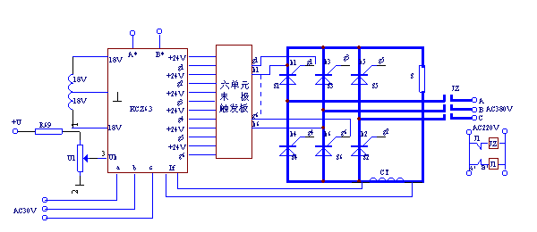
四、KCZ6.3板的应用举例
KCZ6.3板可用于三相全控桥,三相半控桥及三相半波开环可控整流电路中,图2给出了KCZ6.3板用于三相全控整流系统中的原理示图,图中CT为电流传感器。
图2
五、KCZ6.3板的输入、输出负载能力
5.1 输入信号
KCZ6.3板的双交流18V要求供给电流为0.5A,而三相同步信号a、b、c要求供给电流幅值为50mA,给定信号UK要求电流值为20mA,电压幅值为直流0~12V。
5.2 输出负载能力
+15V,-15V最大负载能力为50mA,+24V最大负载能力为脉冲电流300mA,g1~g6最大允许脉冲电流为150mA。

|