一、概述
KCZ6.4三相晶闸管控温(调功)板是在KCZ6.2板的基础上在反馈回路中增加低零漂高放大倍数的放大器构成的,所以它更适用于反馈信号为毫伏级的系统(如温度控制系统)来实现闭环控制功能。
二、使用条件
1.海拔:≤1500m;
2.环境温度:-10℃~+45℃;
3.空气最大相对湿度:≤90%(相对环境湿度20℃时);
4.周围无导电及爆炸尘埃,无腐蚀金属及破坏绝缘的气体;
5.无剧烈振动和冲击。
三、KCZ6.4板的使用方法
1.KCZ6.4板的对外连线共有四个接插件,其外形尺寸及安装尺寸和主要元器件实际布置示意图如图1所示,各接插件的引线接法如下:
1.1 插件S4的18V、GND、18V分别接二次侧带有中间抽头的电源变压器的两个18V交流绕组及中间抽头端,
亦可直接输入两路直流24V电压信号。
1.2 插件S1中的a、GND,b、GND,c、GND分别接三相同步变压器副边的对应A、B、C三相的三个30V绕组,当主回路不带变压器时,在KCZ6.4用于三相可控整流系统时,建议同步变压器接为Δ/Y-11,而当KCZ6.4用于三相交流调压时,建议同步变压器接为Y/Y-12,在主回路带有变压器时,同步变压器的接法应与主变压器相匹配。而Ug、P、GND分别接外部给定电位器(阻值不小于4.7K,功率不小于0.5W)的三端,其中Ug为该电位器的中间可调端,而GND与P分别接该电位器的两固定端,eT、GND接取样传感器的输出(如热电偶的输出),而Uf接实际输出取样值,剩余的+V、-V及GND为用户提供了一正电源及负电源输出信号。
1.3 插件S5的D2、GND、+5V及D1、GND分别为用户外接数字表显示实际给定值与被控系统实际输出值提供了一输出信号。
1.4
插件S2的A、B两点之间为一常闭触点信号,其触点容量为220V/1A或380V/0.5A,它用在用户系统的操作回路里使用户可用其在故障时来分断自己系统的主电路。
1.5 接插件S3中的g1~g6与24V分别接用户晶闸管的触发脉冲末级板或脉冲变压器之原边。

图1
2.KCZ6.4板内共有九个电位器,各电位器的作用及调节方法如下:
2.1 W1、W2、W3为同步信号幅值调节电位器,它们的作用一则表现在使加到TC787集成电路的
18#、1#、2#管脚的同步信号幅值变化,二则表现在调节对同步信号进行T型滤波网络的时间常数,顺时针调节加到TC787的
18#、1#、2#管脚的等效同步信号幅值降低,即T型滤波网络时间常数增大,逆时针调节加到TC787
18#、2#、1#管脚的等效同步信号幅值升高,即T型网络滤波时间常数减小。
2.2 W4为板内给定信号调节电位器,顺时针调节给定信号增大,逆时针调节给定信号减少,当KCZ6.4板用作外部给定时该电位器无作用。
2.3 给定信号Ug为零时,W10用来进行最大α角的调节,顺时针调节〤max减小,逆时针调节〤max
增加,该电位器出厂前已经调好,不需要调节。
2.4 W5为给定信号Ug最大时,最小α角调节电位器,顺时针调节〤min增大,逆时针调节〤min减小,该电位器出厂前已经调好,不需再调节。
2.5 W12反馈信号放大倍数调节电位器,顺时针调节反馈量放大倍数增大,逆时针调节反馈量放
大倍数减小。
2.6 W8运算放大器调零电位器。用于对运算放大器调整,使用中根据需要调节.
2.7 W9保护门槛调节电位器,顺时针调节保护门槛增加,逆时针调节保护门槛减小。
3.KCZ6.4板的输入、输出负载能力
3.1 KCZ6.4板的双~18V电源输入电流为0.5A,其三相同步电压a、b、c的电压有效值为30V,其
电流最大值为20mA,Uf为用户实际系统输出参数取样值,在KCZ6.4板用作过流保护模式时,该端接系
统输出电流取样值,在KCZ6.4板用作过压保护时,该端接用户系统输出电压取样值,其输入最大值为
8V(可交流亦可直流),其需求电流为10mA,剩下的eT为被控量取样值,其最小值为几十毫伏,KCZ6.4
用于控温系统时,该端接热电偶输出。
3.2 KCZ6.4板的最大输出负载能力
+15V、-15V、+5V为50mA,而D2、D1为10mA,g1~g6为脉冲电流150mA,A、B两点的接点允许容
量为220V/1A或380V/0.5A。
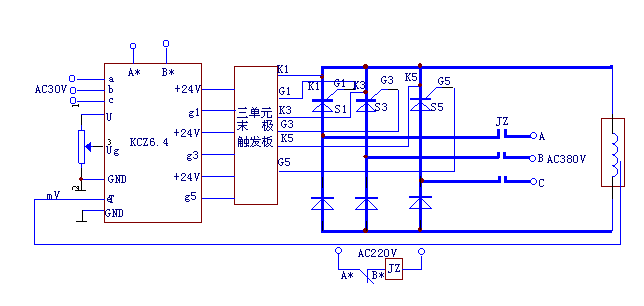
四、KCZ6.4板使用举例
用于三相晶闸管闭环控温系统的原理电路如图2所示,图中KCZ6.4板用于过流保护模式工作。其
中eT为反馈信号,而Uf为实际输出取样值,在KCZ6.4用作过流保护工作方式时,Uf接电流取样信号,
在KCZ6.4板用作过压保护工作模式时,Uf接电压取样信号。

图2
|