一、概述
KCZ6.5型三相全控(半控)桥晶闸管相位自适应触发板是应用大规模集成电路及数字锁相技术开发的高性能电力电子技术产品。它以智能型大规模集成电路芯片CA6100为核心单元,外配以高质量的电子元器件而制成。与常规的三相晶闸管触发电路相比,它具有下述优点:
1. 使用中无需确定三相电压的相位,无论用户怎样接入三相电源的相位,其输出触发脉冲均与被触发晶闸管的相位一一对应;
2.使用中无需外配同步变压器和电源变压器;
3.板内含有脉冲变压器,可直接用来触发容量在1650A以下的6个晶闸管;
4.平面安装,不用专门制作插件箱,所有接插件均选用高质量的进口插件,因此接触十分可靠。
二、KCZ6.5型通用晶闸管触发板的内部构成
触发板主要由以下几个部分构成:
相位基准(参考)电路、缓冲放大器及软起动/软停止电路、锁相环、缺相检测及禁止电路、相序检测和选择开关、监控电路、脉冲放大器和脉冲变压器等。
三、实际应用
1.两象限桥式变换器

图1 两象限桥式变换器
|
触发板配置: 应用:
a.30°相位基准 a.电源
b.2~30°脉冲 b.直流电机驱动
c.3.5°~130°门延角范围
d. 相位基准来自SCR阴极
图2为稳压限流控制原理图,Vd为电压给定,Id为限流值给定,Vf、If为电压、电流反馈信号。
图2 稳压限流控制电路
图3示出软起停控制电路,电位器为给定电位器,例如图2中的电压给定电位器;I2是KCZ6.5触发板的软停控制端,为低电平时触发板开始软停、触发脉冲延迟角从原值以一定的速度滑到最大值处;为悬空状态时触发板软起,触发脉冲移动正好相反,当开关拨到S.S(软起动)侧时,电位器的Vdh端的电压按照一定斜率上升,当其达到设定值时软起动结束。当开关拨到S(软停止)侧时,Vdh端的电压按照一定斜率下降直到为零、软停止结束。
图3 软起停控制电路
2.交流控制器
电路原理如图4所示。通过改变晶闸管的门极延迟角的大小,负载便可以得到幅值可变的三相交流电压。而通过附加的电压或者电流调节器板构成闭环、则能够实现稳定控制。
利用此电路及附加调节器已经成功地开发出异步电动机的限流起动及节能控制系统。
如果负载为三相对称电阻负载,如电阻式加热炉,可以实现负载的温度控制。

图4
|
触发板配置: 应用:
a.0°相位基准 a. 交流侧控制
b. 120°脉冲 b. 三相异步电机的降压起动
c. 5°~175°门延角范围 c. 电阻式加热炉
d. 相位基准来自SCR阴极
四、安装须知
1.拆去包装袋,取出触发板及AMP插件、插针等零件。
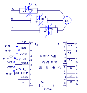
2.按所设计的使用方法选定J1~J4所必需的插头位置,将适当长度的16~20号多芯软电线经焊接后压装或专用压接工具与AMP插件相联接后,从AMP插件后部对应位置对号入座。
3.按标准电路联接图,将J1和J2对应于6只SCR的十二根导线与SCR的门极和阴极相联,导线长度最好勿超过50厘米,每一对导线(同一个SCR的门极和阴极)应绞合一下,至少为每2.5厘米绞一绞。这样在大功率应用时可减少高频杂波的干扰。一般-A、-B、-C三个SCR阴极的引线同时也是引入同步信号的。因此这十二根导线要一一对应,不能接错。
J3是用来与其它控制电路相联接的,一般会用到它的SIG端,该端送入0~5V的直流控制电压,可使SCR导通角由最小到最大变化。I2端,该端与地短接时,产生软停止。I1端,该端与12V开路后产生快速停止(封锁脉冲)。另外,有+12V端、COM端等。请参考前面的图1电路。
J4是当电路板上装有电源变压器时,220V交流电源(或380V)的输入插口,请确认该电压与变压器使用电压是否对应。
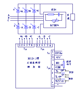
4.标准KCZ6.5板的安装孔尺寸如图5所示。图中,插座J1A、J2A、J3A为KCZ6.5板上分别用于代替KCZ6.5板上的J1、J2、J3三个插座的插座。
5.应按图仔细校对,接线是否与使用图一一对应,错接可能会造成电路板或器件的损坏,如有疑问请打电话联系。
6.在SCR没有接通三相电源的情况下,接通J4或J3上①、②端的交流电压使板上得到交流220V或24V电源。板上电源指示灯(绿)、缺相指示灯(红)、禁止指示灯(红)三只LED应发亮。
7.确认给定电压(接插件J3的SIG端)为零,接通三相电压。注意三相电压应一次给到额定值,误差不超过额定电压的±20%。不要用调压器慢慢给上去,此时,两只红色LED应熄灭。
8.逐渐使给定电压增加,SCR输出(用电压表或示波器监测)也相应变化正确,安装即初步完成。
9.非标准电路应用时,例如变压器原边或同步变压器提供同步时,应先断开各SCR门极,用示波器检查各SCR阳极和对应脉冲相位、相序,确认无误方可接通门极。
10.触发板上唯一可调的程控开关PP1是用来决定所需要的触发脉冲的。当1、2、3分(OFF),4、5、6合(ON)时,脉冲参考相位为0°,反之为30°。当7分、8合时,触发脉冲为120°宽。7、8都合时为脉冲宽度为2~30°可调的脉冲。7、8都分时为双窄脉冲(间隔60°)。
图5 KCZ6.5晶闸管触发板各插座及位置示意图
|