一、概述
KCZ6-1TS2晶闸管三相多功能双闭环控制板是我公司总结了深受用户欢迎的KCZ6-1T控制板的成功经验,为了弥补KCZ6-1T控制板只能用于单闭环系统的不足,应广大用户的要求而开发的既可用于单闭环系统,亦可用于双闭环系统,保护功能完善的晶闸管多功能三相闭环控制板,它在KCZ6-1T控制板的基础上增加了较多功能。
二、主要设计特点
1.直接380V提供工作电源,同步电压范围宽,随着板上所接电阻的不同,可适用于同步电压24~660V线电压的使用范围。
2.具有相位自适应和自对相功能,使用中省去了一般晶闸管控制板调试时需用示波器确定同步电压相序,且要保证同步电压与同步变压器一次与晶闸管阳、阴极电压同相位的麻烦。
3.既可用于单闭环系统,又可用于双闭环系统,使用中仅需随用于双闭环还是单闭环系统的不同把板上“1”处短接(单闭环应用)或焊一合适参数的电容(双闭环应用)。
4.可选择输出脉冲是单脉冲列还是双脉冲列使用。
5.应用IP调节器,使比例调节器和积分调节器的参数可单独调节,使调节器调节方便。
6.可直流反馈亦可交流反馈,反馈信号大小可板内调节。
7.除含有被反馈量和其他量的封脉冲和截止保护环节、保护门槛可调外,又含外部输入的直接保护封锁环节。
8.封脉冲保护后可输出节点信号,供用户用来切断系统的主电路或实现其他保护功能。
9.板内含有给定积分环节,积分上升时间可调。
10.板内含有脉冲功放单元和脉冲隔离及整形环节,输出直接触发晶闸管。
11.全集成电路控制,可靠性高。
12.可直接输入15V信号封锁输出脉冲或进行直接保护。
13.板内带有复位环节可进行保护后复位。
14.平面安装,外形尺寸小。
三、主要技术参数
1.工作电源电压:380V,单相;
2.输出脉冲幅值:12V/400mA;
3.输出脉冲路数:6路;
4.输出脉冲可触发晶闸管容量:KP50A~1650A/100~1600V;
5.适用主电路线电压:20V~660V,50Hz;
6.反馈信号幅值:直流反馈0~10V;交流反馈:三相0~8V或三相0~100mA;
7.输入移相控制电压范围:直流0~10V;
8.直接输入封脉冲或保护电平信号幅值:15V;
9.给定积分调节时间:1.0秒~数小时;
10.外形尺寸:长×宽×高=280mm×190mm×52mm;
11.安装方式为平面安装,4孔固定安装,安装孔距为270mm×180mm,安装孔径为4-φ4.5;
12.保护后输出接点容量:220V/1A;
13.输出+15V和-15V电源最大负载能力:+15V:20mA;-15V:10mA;
14.板内含有过电压、过电流、截电压、截电流和外部输入直接封锁保护。
四、适用环境工作条件
1.海拔不超过3000m;
2.使用环境温度TA:-10~45℃;
3.空气相对湿度≤90%(相对环境温度20℃);
4.周围无导电、易爆尘埃,无腐蚀和破坏绝缘的气体;
5.无剧烈振动及冲击。
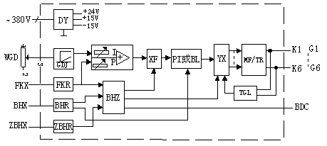
五、内部结构及工作原理
KCZ6-1TS2的内部结构和工作原理框图如图1所示。

图1 KCZ6-1TS2的内部结构及工作原理框图
DY:控制电源
GDJ:给定积分器
IP:调节器 XF:限幅
FKR:反馈信号输入
TGL:同步隔离
YX:移相脉冲形成
MF/TR:脉冲放大及同步输入
ZBHR:外部综合保护结点信号输入
BHR:保护信号输入
FKX:反馈信号
WGD:给定电位器
XBHX:外部故障结点信号
BHX:保护信号
BDC:保护动作结点输出
PI或BL:双闭环使用时为PI调节器,单闭环使用时为一比例系数为1的反相器
KCZ6-1TS2的工作原理可简述为:来自电网的380V电压经DY单元变换为供KCZ6-1TS2控制板工作所必须的+24V和±15V三路电源。该电源作为板内各控制功能块的工作电源,外部给定的阶跃信号经给定积分环节变为斜坡信号与反馈信号输入单元输出的反馈信号经IP调节器调节后,由限幅单元限幅提供给PI或BL单元,作为移相单元的控制信号。该控制信号与MF/TR单元输入的同步信号相比效,然后变为对应的触发脉冲,由脉冲功放与整形环节整形后去触发晶闸管,一但发生反馈量或其他信号超过设定值,按相应信号的大小,则综合保护环节输出,要么封锁脉冲,要么进行截止保护。
六、使用方法
1.安装
(1) 板件应垂直安装牢固,板背面距后部可导电安装板距离≥20mm。板下方200mm内应无发热较大的器件。
(2) 连接导线面积应为≥0.5平方毫米的软导线,各反馈保护信号、给定电位器及脉冲输出线要用绞合线,每100mm不得少于8~10绞。
2.正确接线
(1) 引出接插件位置图

图2 KCZ6-1TS2板引出接插件位置图
(2) 接线方法
从图2可见KCZ6-1TS2板内共有七个接插件,对外共引出40根线,各接插件的对外接线方法如下:
1) S1-1,S1-3外接~380V供电电源。
2) S2-6、S2-7、S2-8接外部给定电位器,电位器值为10kΩ,S2-7接电位器滑动端。
3) S2-5、S2-4、S2-3为控制板+15V、-15V及地输出,可供用户使用,但每路使用电流不得大于10mA。
4) S2-1可做特殊给定输入应用,此时移相控制不经过板内的给定积分器和调节器,而直接加到移相触发专用集成电路的移相端,一般不用。
5) S3-10、S3-9、S3-8、S3-7、S3-6为模拟反馈信号输入点,S3-10、S3-9为直流信号输入点(S3-10相对S3-9为正极性),S3-8、S3-7、S3-6为三相交流信号输入点(单相输入信号接其任意两点)
。
6) S3-5、S3-4、S3-3、S3-2、S3-1为模拟保护信号输入点,S3-5、S3-4为直流信号输入点(S3-5相对S3-4为正极性),S3-3、S3-2、S3-1为三相交流信号输入点(单相信号接任意两点)。
7) S4-1、S4-3接外部综合保护常开接点。
8) S5-1、S5-2;S5-4、S5-5;S5-7、S5-8;S5-10、S5-11;S6-1、S6-2;S6-4、S6-5为控制板六路脉冲输出,分别接到主电路中三相全控桥中的六只晶闸管阴极和门极。
9) S7-1、S7-2可接外部复位按钮,当发生故障记忆时可用来复位。
10) S7-3特殊应用输入,当该点输入一个+13~15V电位时可封闭脉冲输出,如冷却系统故障,水压过高、温度过高后的封脉冲。
11) S7-4、S7-5、S7-6为故障时分断主回路的一转换接点,接点容量为220V/1A。
(3) 板内各电位器的作用及调节方法
KCZ6-1TS2板内共有11个电位器,各电位器的作用及调节方法如下:
1) 电位器P1、P2、P3分别用来调节三相锯齿波的平衡度,出厂前已经调好,一般用户不需再调节,除非用户系统电网电压三相严重不平衡。
2) 电位器P4用来调节从Ug通道作为给定时的给定积分上升时间长短,逆时针调节给定积分时间变短,顺时针调节给定积分时间变长,给定积分的调节时间范围为1.0秒~数小时,若用户直接从GY通道输入给定,则板内的给定积分器不起作用,所以此情况下电位器P4也不起作用。
3) 电位器P5为调节器等效积分时间常数调节电位器,顺时针调节等效积分时间常数增大,逆时针调节等效积分时间常数减小。
4) 电位器P6用来调节最大α角(〤max)限幅,顺时针调节〤max增大,逆时针调节〤max值减小,出厂前已将〤max调为150度,对电阻性负载用户不需调节,对大电感负载用户可将〤max调节为90度,亦可不调节。
5) 电位器P7为最小α角(〤min)整定调节电位器,顺时针调节〤min减小,逆时针调节〤min增大,出厂前已整定为〤min=0度,一般用户不需要再调节。
6) 电位器P8为闭环反馈量大小调节电位器,顺时针调节闭环控制的反馈量增大,逆时针调节闭环控制的反馈量减小,当用作电流闭环实现恒流控制时,该电位器调节的为电流反馈值,当用作电压闭环实现系统恒压控制时,该电位器调节的为电压反馈值,由于KCZ6-1TS2板可实现被控制量的截止和过截保护,且保护门槛板内已设定为5V,所以顺时针调节相当于对应该反馈值的截止保护门槛减小,逆时针调节相当于对应该反馈值的保护门槛增大。
7) P9为内环反馈值调节电位器,用于双闭环时调节内环的反馈系数,顺时针调节内环等效反馈值增加,逆时针调节实际等效反馈值减小,单闭环使用时该电位器无用。
8) 电位器P10为保护量实际取样值调节电位器,逆时针调节保护取样实际值增大,相当于保护门槛降低,顺时针调节保护取样实际值减小,相当于保护门槛增大,当控制板用于电压闭环控制时,该电位器为电流保护实际取样值调节电位器,当控制板用于电流闭环控制时,该电位器为电压保护实际取样值调节电位器。
9) 电位器P11为调节器比例放大倍数调节电位器,顺时针调节器等效比例放大倍数增大,逆时针调节器等效比例放大倍数减小。
(4) 使用注意事项
1) 单闭环使用时,应把板内的“1”处两点短接,电位器P9逆时针调到头,此时若要实现恒流控制反馈量可为电流;若要实现恒压控制反馈量为电压;若要实现恒转速调节,则反馈量为转速。
2) 当反馈信号为直流时,则接接插件S3的引脚10与引脚9(S3-10相对S3-9为正极性);若反馈信号为交流时,反馈信号接插件S3的引脚8~引脚6;相应的接插件S3接保护取样信号;当反馈信号为电压时,一般保护信号取电流;当反馈信号为电流时,一般保护信号取电压;若反馈信号为转速,保护信号可取电压亦可取电流,这时保护信号从接插件S3的引脚1~引脚5接入,为直流信号时接接插件S3的引脚5与引脚4(S3-5接反馈信号正,S3-4接反馈信号负);为交流信号时接接插件S3的引脚3~引脚1。
3) 双闭环使用时一般外环取电压或转速,内环接电流信号,所以接插件S3的引脚6~引脚10接电压或转速反馈值,而接插件S3的引脚1~引脚5接电流反馈信号,并在板上标有1的位置两端焊接一电容,该电容与电阻R35为内环比例积分调节器的积分电容和比例电阻,调试中应主要通过调节这两个元件的参数使内环稳定。
4) 双闭环使用时内环反馈值为直流时,接接插件S3的引脚4与引脚5(S3-5接反馈信号正,S3-4接反馈信号负),当内环反馈值为交流时,反馈信号接接插件S3的引脚1~引脚3,当外环反馈值为直流时,接接插件S3的引脚10和引脚9(S3-10接反馈信号正,S3-9接反馈信号负),当外环反馈值为交流时,外环反馈信号接接插件S3的引脚6~引脚8。
5) 若反馈信号或保护取样信号为交流,差信号为0~10mA的电流信号时,可把板内3或4直接短接;若交流反馈或保护信号为0~100mA,则应短接板内3或4,并把对应的电阻R81或R83换为1kΩ/2W;当反馈信号或保护取样信号为4~20mA时,应在短路3或4同时,还应把电阻R81或R83换为510Ω/2W。
(5) 应用举例
KCZ6-1TS2控制板的上述优良性能,使其可方便地用于主回路为三相半波、三相桥式半控或三相桥式全控整流的电路中作为晶闸管的触发和控制板,从而构成单闭环或双闭环控制系统。图3给出了KCZ6-1TS2用于双闭环系统中的原理图,其内环为电流,而外环为电压环,内环为交流反馈,而外环为直流反馈的原理图,此时板内的“3”短接,“1”换为电容。

图3 KCZ6-1TS2 用于双闭环系统的原理示图
|