TC787和TC788是采用独有的先进IC工艺技术,并参照国外最新集成移相触发集成电路而设计的单片集成电路。它可单电源工作,亦可双电源工作,主要适用于三相晶闸管移相触发和三相功率晶体管脉宽调制电路,以构成多种交流调速和变流装置。它们是目前国内市场上广泛流行的TCA785及KJ(或KC)系列移相触发集成电路的换代产品,与TCA785及KJ(或KC)系列集成电路相比,具有功耗小、功能强、输入阻抗高、抗干扰性能好、移相范围宽、外接元件少等优点,而且装调简便、使用可靠,只需一个这样的集成电路,就可完成3只TCA785与1只KJ041、1只KJ042或5只KJ(3只KJ004、1只KJ041、1只KJ042)(或KC)系列器件组合才能具有的三相移相功能。因此,TC787/TC788可广泛应用于三相半控、三相全控、三相过零等电力电子、机电一体化产品的移相触发系统,从而取代TCA785、KJ004、KJ009、KJ041、KJ042等同类电路,为提高整机寿命、缩小体积、降低成本提供了一种新的、更加有效的途径。
图1 TC787(或TC788)的引脚排列(引脚向下)
各引脚的名称、功能及用法如下──
(1) 同步电压输入端:引脚1(Vc)、引脚2(Vb)及引脚18(Va)为三相同步输入电压连接端。应用中,分别接经输入滤波后的同步电压,同步电压的峰值应不超过TC787/TC788的工作电源电压VDD。
(2) 脉冲输出端:在半控单脉冲工作模式下,引脚8(C)、引脚10(B)、引脚12(A)分别为与三相同步电压正半周对应的同相触发脉冲输出端,而引脚7(-B)、引脚9(-A)、引脚11(-C)分别为与三相同步电压负半周对应的反相触发脉冲输出端。当TC787或TC788被设置为全控双窄脉冲工作方式时,引脚8为与三相同步电压中C相正半周及B相负半周对应的两个脉冲输出端;引脚12为与三相同步电压中A相正半周及C相负半周对应的两个脉冲输出端;引脚11为与三相同步电压中C相负半周及B相正半周对应的两个脉冲输出端;引脚9为与三相同步电压中A相同步电压负半周及C相电压正半周对应的两个脉冲输出端;引脚7为与三相同步电压中B相电压负半周及A相电压正半周对应的两个脉冲输出端;引脚10为与三相同步电压中B相正半周及A相负半周对应的两个脉冲输出端。应用中,均接脉冲功率放大环节的输入或脉冲变压器所驱动开关管的控制极。
(3) 控制端
① 引脚4(Vr):移相控制电压输入端。该端输入电压的高低,直接决定着TC787/TC788输出脉冲的移相范围,应用中接给定环节输出,其电压幅值最大为TC787/TC788的工作电源电压VDD。
② 引脚5(Pi):输出脉冲禁止端。该端用来进行故障状态下封锁TC787/TC788的输出,高电平有效,应用中,接保护电路的输出。
③ 引脚6(Pc):TC787/TC788工作方式设置端。当该端接高电平时,TC787/TC788输出双脉冲列;而当该端接低电平时,输出单脉冲列。
④ 引脚13(Cx):该端连接的电容Cx的容量决定着TC787或TC788输出脉冲的宽度,电容的容量越大,则脉冲宽度越宽。
⑤ 引脚14(Cb)、引脚15(Cc)、引脚16(Ca):对应三相同步电压的锯齿波电容连接端。该端连接的电容值大小决定了移相锯齿波的斜率和幅值,应用中分别通过一个相同容量的电容接地。
(4) 电源端
TC787/TC788可单电源工作,亦可双电源工作。单电源工作时引脚3(VSS)接地,而引脚17(VDD)允许施加的电压为8~18V。双电源工作时,引脚3(VSS)接负电源,其允许施加的电压幅值为-4~-9V,引脚17(VDD)接正电源,允许施加的电压为+4~+9V。
二、内部结构及工作原理简介
TC787/TC788的内部结构及工作原理框图如图2所示。由图可知,在它们内部集成有三个过零和极性检测单元、三个锯齿波形成单元、三个比较器、一个脉冲发生器、一个抗干扰锁定电路、一个脉冲形成电路、一个脉冲分配及驱动电路。它们的工作原理可简述为:经滤波后的三相同步电压通过过零和极性检测单元检测出零点和极性后,作为内部三个恒流源的控制信号。三个恒流源输出的恒值电流给三个等值电容Ca、Cb、Cc恒流充电,形成良好的等斜率锯齿波。锯齿波形成单元输出的锯齿波与移相控制电压Vr比较后取得交相点,该交相点经集成电路内部的抗干扰锁定电路锁定,保证交相唯一而稳定,使交相点以后的锯齿波或移相电压的波动不影响输出。该交相信号与脉冲发生器输出的脉冲(对TC787为调制脉冲,对TC788为方波)信号经脉冲形成电路处理后变为与三相输入同步信号相位对应且与移相电压大小适应的脉冲信号送到脉冲分配及驱动电路。假设系统未发生过电流、过电压或其它非正常情况,则引脚5禁止端的信号无效,此时脉冲分配电路根据用户在引脚6设定的状态完成双脉冲(引脚6为高电平)或单脉冲(引脚6为低电平)的分配功能,并经输出驱动电路功率放大后输出,一旦系统发生过电流、过电压或其它非正常情况,则引脚5禁止信号有效,脉冲分配和驱动电路内部的逻辑电路动作,封锁脉冲输出,确保集成电路的6个引脚12、11、10、9、8、7输出全为低电平。

图2 TC787或TC788原理框图
三、基本设计特点
1.主要设计特点
(1) TC787适用于主功率器件是晶闸管的三相全控桥或其他拓扑结构电路的系统中作为晶闸管的移相触发电路。而TC788适用于以功率晶体管(GTR)或绝缘栅双极晶体管(IGBT)为功率单元的三相全桥或其他拓扑结构电路的系统中作为脉宽调制波产生电路,且任一种芯片均可同时产生六路相序互差60°的输出脉冲。
(2) TC787/TC788在单、双电源下均可工作,使其适用电源的范围较广泛,它们输出三相触发脉冲的触发控制角可在0~180°范围内连续同步改变。它们对零点的识别非常可靠,使它们可方便地用作过零开关,同时器件内部设计有移相控制电压与同步锯齿波电压交点(交相)的锁定电路,抗干扰能力极强。电路自身具有输出禁止端,使用户可在过电流、过电压时进行保护,保证系统安全。
(3) TC787/TC788分别具有A型和B型器件,使用户可方便地根据自己应用系统所需要的工作频率来选择(工频时选A型器件,中频100~400Hz时选B型器件)。同时,TC787输出为脉冲列,适用于触发晶闸管及感性负载;TC788输出为方波,适用于驱动晶体管。因两种集成电路引脚完全相同,故增加了用户控制用印制电路板的通用性,使同一印制电路板只需要互换集成电路便可用于控制晶闸管或晶体管。
(4) TC787/TC788可方便地通过改变引脚6的电平高低,来设置其输出为双脉冲列还是单脉冲列。
2.主要电参数和限制
(1) 工作电源电压VDD:8~18V或±5V~±9V; (2)
输入同步电压有效值:≤(1/2√2)VDD;
(3) 输入控制信号电压范围:0~VDD; (4)
输出脉冲电流最大值:20mA;
(5) 锯齿波电容取值范围:0.1~0.15; (6)
脉宽电容取值范围:3300pF~0.01μF;
(7) 移相范围:0~177°; (8)
工作温度范围:0~+55℃。
四、TC787/TC788应用举例
TC787/TC788独特而巧妙的设计,使它们可方便地用于主功率器件为普通晶闸管、双向晶闸管、栅极可关断晶闸管、非对称晶闸管的电力电子设备中作移相触发脉冲形成电路。而TC788可用于主功率器件为功率晶体管、功率场效应晶体管、功率IGBT或功率MCT的电力电子设备中。限于篇幅,本节仅以TC787为例说明其应用。
1.典型应用接线图
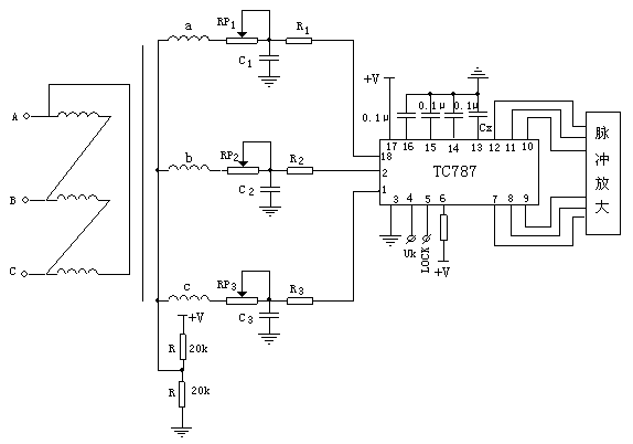
(1) 单电源工作的典型接线
图3给出了TC787单电源工作时的典型接线图。图4给出了应用电平匹配网络的应用图。这种使用方法需要加较多辅助元件,图中电容C1~C3为隔直耦合电容,而C4~C6为滤波电容,它与R1~R3构成滤去同步电压中毛刺的环节。另一方面,随RP1~RP3三个电位器的不同调节,可实现0~60°的移相,从而适应不同主变压器连接的需要。图4中直接将同步变压器的中点接到(1/2)电源电压上,使所用元件得以简化。
图3 需同步电平移位网络的单电源使用方法
图中RP1~RP3:10k1/4WR:20k1/4WR2:15k1/4WR3:200k
C1、C2、C3:10μF/25VC4、C5、C6:1μF

图4 简化电平匹配网络的单电源使用法(同步电压有效值(UT≤V+/2√2)
图中RP1~RP3:10kR1、R2、R3:200kC1、C2、C3:1μF
(2) 双电源工作的典型接线
图5给出了TC787双电源工作时的典型接线图,Lock来自保护电路的输出。

图5 TC787双电源使用的典型接线图(同步电压有效值UT=V+/√2V+=∣V-∣)
图中RP:10kR:200kC:1μF
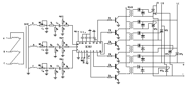
2.TC787在三相两重桥有源逆变系统中的应用
图6给出了两个TC787用于主功率器件为晶闸管的三相两重桥变频系统中的原理图。该系统可用于大功率内燃机、发电机、电动机、直流调速、交流调速装置的出厂功率试验系统中回收电能。该系统中两个TC787分别用来作为两个逆变桥中的12个晶闸管的移相触发电路,两个TC787均选用单电源工作,且均为全控双脉冲工作方式。图中,变压器TY1为同步变压器,它为两个TC787提供两组三相同步信号,而输出变压器TY2是用来把两个逆变桥输出的方波电压叠加成阶梯波馈送给电网,以减少进入电网的谐波对电网的污染,同时用来把逆变电压与主电网电压进行匹配。图中的直流电压Vd可为实验系统中的直流发电机输出,也可为实验系统中的三相交流电经晶闸管装置整流后的直流电压。

图6 TC787在晶闸管三相两重桥有源逆变系统中的应用
3.多只TC787在大功率可控整流装置中的应用
大功率整流装置是电化学、冶金等行业常用的设备,这种应用领域多为低压大电流。受国内目前晶闸管单个容量的限制,往往采用多相整流以扩大其输出容量。图7给出了4个TC787用于24相大功率整流电路中的原理图。图中TC787的给定来自给定积分环节的输出且均为双电源工作,系统中主整流变压器二次侧的四组三相电源各组相位依次相差15°,整流输出为24脉波的直流电压。

图7 多个TC787在多相整流电路中的应用 |