TCA785是德国西门子(Siemens)公司于1988年前后开发的第三代晶闸管单片移相触发集成电路。它是取代TCA780及TCA780D的更新换代产品,其引脚排列与TCA780、TCA780D和国产的KJ785完全相同,性能参数可以互换。目前,它在国内变流行业中已广泛应用。与原有的KJ系列或KC系列晶闸管移相触发电路相比,它对零点的识别更加可靠,输出脉冲的齐整度更好,而移相范围更宽,且由于它输出脉冲的宽度可人为自由调节,所以适用范围较广。
1. 引脚排列、各引脚的名称、功能及用法
TCA785采用标准的双列直插式16引脚(DIP-16)封装,它的引脚排列如图1。
图1 TCA785的引脚排列(脚朝下)
各引脚的名称、功能及用法如下。
引脚16(US):电源端。使用中直接接用户为该集成电路工作提供的工作电源正端。
引脚1(OS):接地端。应用中与直流电源US、同步电压USYNC及移相控制信号U11的地端相连接。 引脚4(Q1)和引脚2(Q2):输出脉冲1与2的非端。该两端可输出宽度变化的脉冲信号,其相位互差180°,两路脉冲的宽度均受非脉冲宽度控制端引脚13(L)的控制。它们的高电平最高幅值为电源电压US,允许最大负载电流为10mA。若该两端输出脉冲在系统中不用时,电路自身结构允许其开路。
引脚14(Q1)和引脚15(Q2):输出脉冲1和2端。该两端也可输出宽度变化的脉冲,相位同样互差180°,脉冲宽度受它们的脉宽控制端(引脚12)的控制。两路脉冲输出高电平的最高幅值为US。
引脚13(L):非输出脉冲宽度控制端。该端允许施加电平的范围为-0.5V~US,当该端接地时,Q1、Q2为最宽脉冲输出,而当该端接电源电压US时,Q1、Q2为最窄脉冲输出。
引脚12(C12):输出Q1、Q2的脉宽控制端。应用中,通过一电容接地,电容C12的电容量范围为150~4700pF,当C12在150~1000pF范围内变化时,Q1、Q2输出脉冲的宽度亦在变化,该两端输出窄脉冲的最窄宽度为100μs,而输出宽脉冲的最宽宽度为2000μs。
引脚11(U11):输出脉冲Q1、Q2及Q1、Q2移相控制直流电压输入端。应用中,通过输入电阻接用户控制电路输出,当TCA785工作于50Hz,且自身工作电源电压US为15V时,则该电阻的典型值为15kΩ,移相控制电压U11的有效范围为(0.2~Us-2)V,当其在此范围内连续变化时,输出脉冲Q1、Q2及Q1、Q2的相位便在整个移相范围内变化,其触发脉冲出现的时刻为trr=(U11R9C10)/(UREFK)(3-2)式中R9、C10、UREF──
分别为连接到TCA785引脚9的电阻、引脚10的电容及引脚8输出的基准电压K──
常数为降低干扰,应用中引脚11通过0.1μF的电容接地,通过2.2μF的电容接正电源。引脚10(C10):外接锯齿波电容连接端。C10的实用范围为500pF~1μF。该电容的最小充电电流为10μA,最大充电电流为1mA,它的大小受连接于引脚9的电阻R9控制,C11两端锯齿波的最高峰值为US-2V,其典型后沿下降时间为80μs。
引脚9(R9):锯齿波电阻连接端。该端的电阻R9决定着C10的充电电流,其充电电流可按下式计算I10=UREFK/R9(3-3)连接于引脚9的电阻亦决定了引脚10锯齿波电压幅值的高低,锯齿波幅值为U10=UREFKt/(R9C10)(3-4)电阻R9的应用范围为3~300kΩ。
引脚8(UREF):TCA785自身输出的高稳定基准电压端。该端负载能力为驱动10块CMOS集成电路。随着TCA785应用的工作电源电压US及其输出脉冲频率的不同,UREF的变化范围为2.8~3.4V,当TCA785应用的工作电源电压为15V,输出脉冲频率为50Hz时,UREF的典型值为3.1V。如用户电路中不需要应用UREF,则该端可以开路。
引脚7(QZ)和引脚3(QV):TCA785输出的两个逻辑脉冲信号端。其高电平脉冲幅值最大为US-2V,高电平最大负载能力为10mA。QZ为窄脉冲信号,它的频率为输出脉冲Q2与Q1或Q1与Q2的两倍,是Q1与Q2或Q1与Q2的或信号,QV为宽脉冲信号,其宽度为移相控制角φ+180°,它与Q1、Q2或Q1、Q2同步,频率与Q1、Q2或Q1、Q2相同,该两逻辑脉冲信号可用来提供给用户的控制电路作为同步信号或其它用途的信号,不用时该两端可开路。
引脚6(I):脉冲信号禁止端。该端的作用是封锁Q1、Q2及Q1、Q2的输出脉冲,该端通常通过阻值10kΩ的电阻接地或接正电源,允许施加的电压范围为-0.5V~US。当该端通过电阻接地或该端电压低于2.5V时,则封锁功能起作用,输出脉冲被封锁;而该端通过电阻接正电源或该端电压高于4V时,则封锁功能不起作用。该端允许低电平最大灌电流为0.2mA,高电平最大拉电流为0.8mA。
引脚5(USYNC):同步电压输入端。应用中,需对地端接两个正、反向并联的限幅二极管。随着该端与同步电源之间所接电阻阻值的不同,同步电压可以取不同的值。当所接电阻为200kΩ时,同步电压可直接取交流220V。
2. 内部结构及工作原理简述
TCA785的内部结构框图如图2所示。它由零点鉴别器ZD、同步寄存器SR、恒流源SC、控制比较器CC、放电晶体管V、放电监控器DM、电平转换及稳压电路PC、锯齿波发生器RG及输出逻辑网络LN等9个单元组成。图3给出TCA785各主要引脚的输入、输出电压波形。

图2 TCA785的内部结构原理示图
|
图3 TCA785各主要引脚的输入、输出电压波形
|
a)同步电压b)锯齿波电压U10及移相控制电压U11(U101为最小锯齿波电压,U102为最大锯齿波电压
c)Q2(引脚12接电容)d)Q1(引脚12接电容)e)Q2(引脚12接地)f)Q1(引脚12接地)
g)Q2(引脚13接地)h)Q1(引脚13接地)i)Q2(引脚13接US)j)Q1(引脚13接US)k)QVl)QZ
3. 主要设计特点和极限参数
(1) 主要设计特点TCA785的主要设计特点有:能可靠地对同步交流电源的过零点进行识别,因而可方便地用作过零触发而构成零点开关;它具有宽的应用范围,可用来作为普通晶闸管、快速晶闸管、双向晶闸管及电力晶体管的控制脉冲形成单元,故可用于由这些电力电子器件组成的单管斩波、单相半波、半控桥、全控桥或三相半控、全控整流电路,单相或三相逆变系统及其它拓扑结构电路的变流系统;它的输入、输出与CMOS及TTL电平兼容,具有较宽的应用电压范围和较大的负载驱动能力,每路可直接输出250mA的驱动电流;其电路结构决定了自身锯齿波电压的范围较宽,对环境温度的适应性较强,可应用于较宽的环境温度范围(TA=-25~+85℃)和工作电源电压范围(-0.5~+18V)。
(2) 极限参数
1) 电源电压US:+8~18V或±4~9V;
2) 移相控制电压范围UK:0.2V~(US-2)V;
3) 输出脉冲最大宽度:180°;
4) 最高工作频率:10~500Hz;
5) 高电平脉冲负载电流:400mA;
6) 低电平允许最大灌电流:250mA;
7) 输出脉冲高、低电平幅值分别为:US和0.3V;
8) 同步电压随限流电阻不同可为任意值;
9) 最高工作频率:10~500Hz;
10) 工作温度范围TA:军品-55~+125℃,工业品-25~+85℃,民品0~+70℃。
4. 典型应用举例
由于TCA785自身的优良性能,决定了它可以方便地用于主电路为单个晶闸管或晶体管,单相半控桥、全控桥和三相半控桥、全控桥及其它主电路结构形式的电力电子设备中触发晶闸管或晶体管,进而实现用户需要的控温、调压、直流调速、交流调速及直流输电等目的。使用中应当注意TCA785的工作为负逻辑,即控制电压U11增加,输出脉冲的α角增大,相当于晶闸管的导通角减小。
(1) 用于温控系统温度控制在电力电子技术领域中有着广泛的应用,如晶闸管和晶体管等电力电子器件制造工艺中的扩散、烧结,晶闸管出厂寿命测试的热疲劳、高温阻断试验等,都需要精确的温度控制。
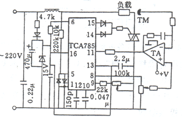
图4给出了TCA785用于这类系统中触发双向晶闸管来控温的详细电路图。
图4 TCA785在温度控制系统中的应用
|
图中应用TCA785输出的Q1及Q2脉冲分别在交流电源的正、负半周来直接触发晶闸管,移相控制电压U11来自温度调节器AT的输出,TCA785自身的工作电源直接由电网电压半波整流滤波、稳压管稳压后得到。这种结构省去了常规需要的控制变压器,使整个电路得以简化,温度反馈应用温度传感器得到,故这种温控系统有较高的控温精度。
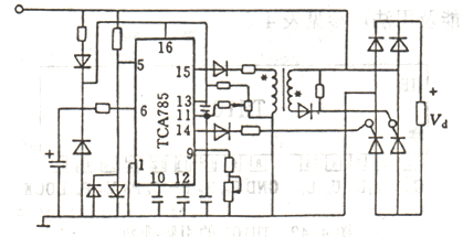
(2) 用于晶闸管交流调压系统晶闸管交流调压系统在大功率调功装置和交流电动机的调压调速系统中有着广泛的应用,TCA785用于这种系统的原理电路如图5所示。图中仅给出了应用一只TCA785构成的单相交流调压电路原理图,应用相同的三套电路便可构成三相交流调压系统。图中为了增强触发能力,便于应用大功率晶闸管,对TCA785的输出能力进行了扩大,且采用脉冲变压器隔离,使主电路与移相控制电路完全隔离。
图5 TCA785在晶闸管交流调压系统中的应用
|
(3) 用于单相、三相桥式半控、全控整流电路中由于TCA785可输出两路相位互差180°的脉冲信号,所以可方便地用于单相全控、单相半控桥或全控桥式整流电路中,三只TCA785可用于三相半波、三相桥式全控或半控整流电路中。图6以一只TCA785用于单相半控整流电路为例给出了TCA785的这种应用示图。为简化电路,图中仅用了一个脉冲变压器。

图6 TCA785在单相半控整流系统中的应用
|
|