KYB-1电压变换板

1.概述
  电压变换板主要用于将主电路的直流高压变换成控制板所需的电压反馈信号,电压变换板由高阻输入网络及差模运算放大器组成,所需工作电源可由触发板提供,使用时将X0接线端子的正负端直接接到主电路。
2.主要技术参数
(1) 输入额定电压:DC:440V,220V,110V。
(2) 最大输出电压:8V。
(3) 工作电源:±15V/20mA。
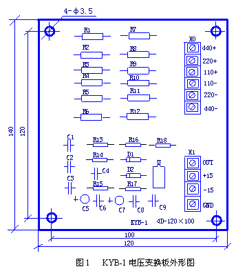
(4) 最大外形尺寸:140×120×30(mm3)请参考图1。

 



                                         


陕西高科电力电子有限责任公司 版权所有

销售公司地址:西安市含光南路178号 邮 编:710065
电 话:029-85236567 85213405  传 真:029-85213405
电力电子与自动化成套厂 电话/传真:029-88218850 88049668
地址:西安高新开发区电子工业园(电子三路8号)903厂房 邮 编:710065